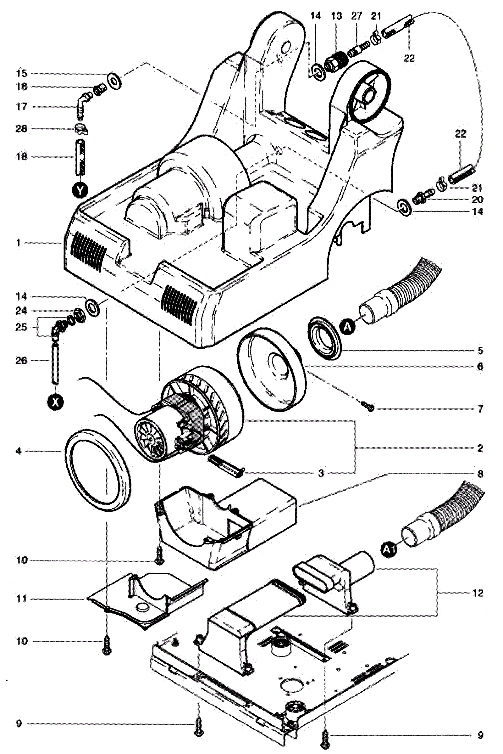
Motor Assembly
Click to enlarge
#
Part
Description
Price
Req
Notes
Availability
2
295-4034
Vacuum motor
$370.92
usually ships 1-5 days
4
195-7779
Motor cover
$67.32
usually ships 1-5 days