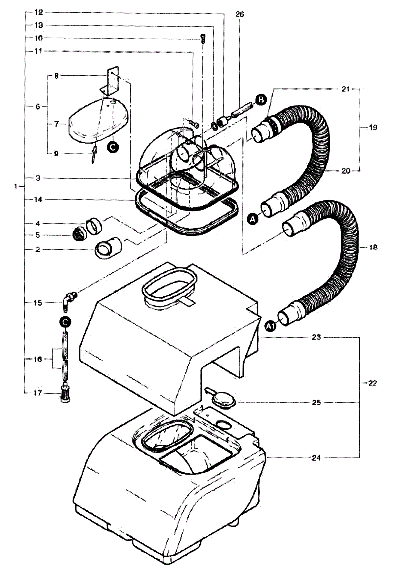
RA 300E
Cover Assembly
Click to enlarge
#
Part
Description
Price
Req
Notes
Availability
23
295-0192
Solution tank bladder
$658.54
1
usually ships 10-11 days