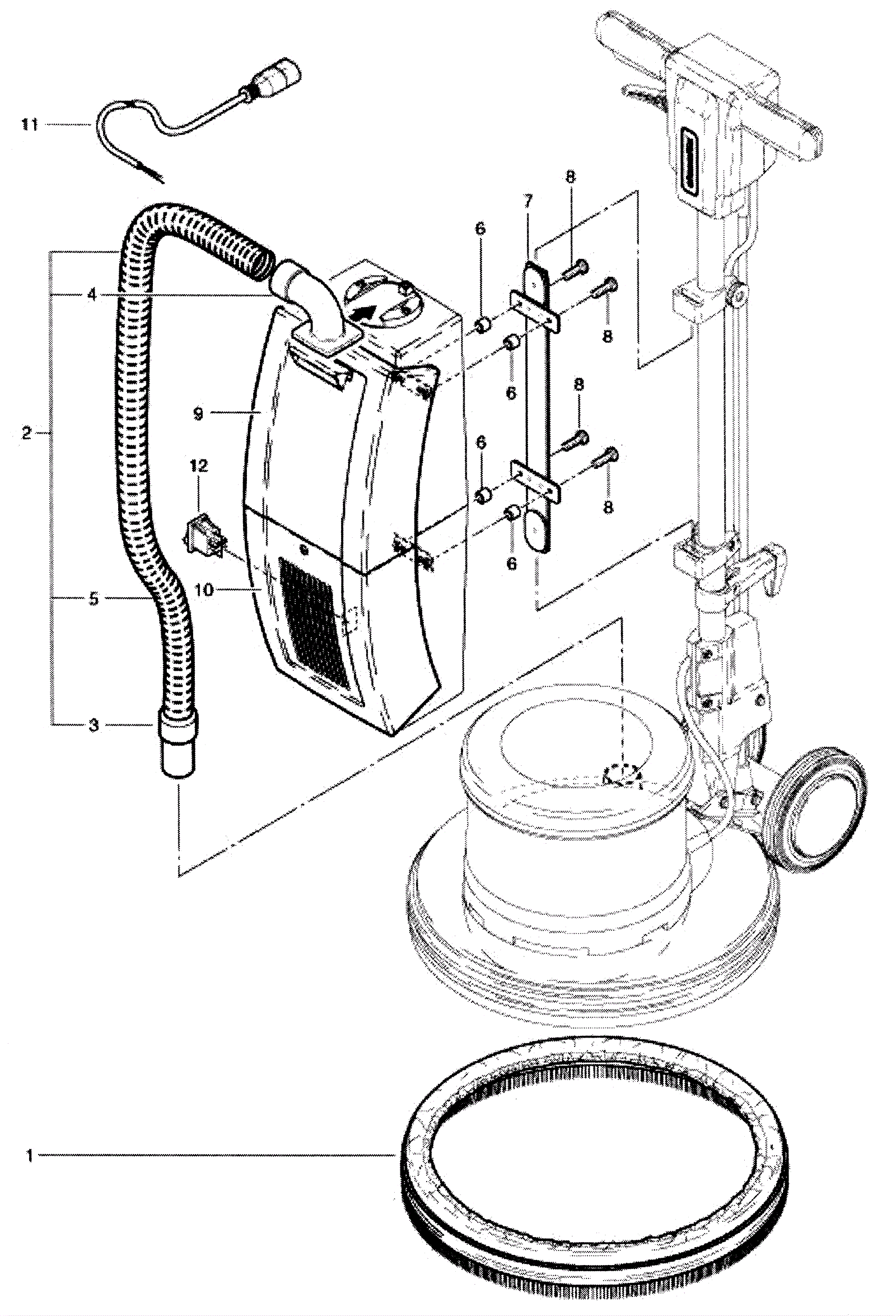
Vacuum Assembly
Click to enlarge