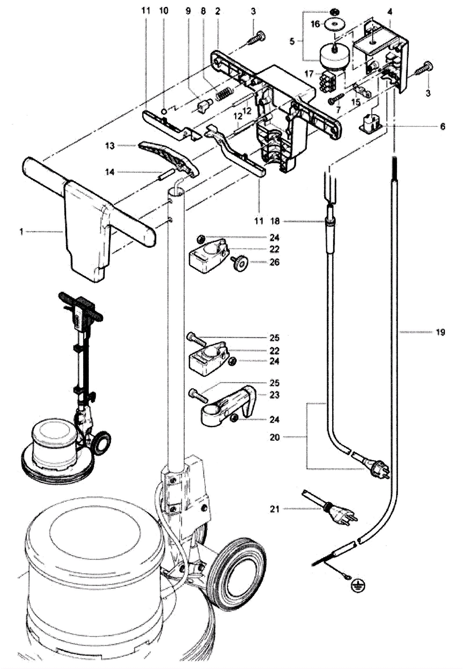
Top Assembly
Click to enlarge