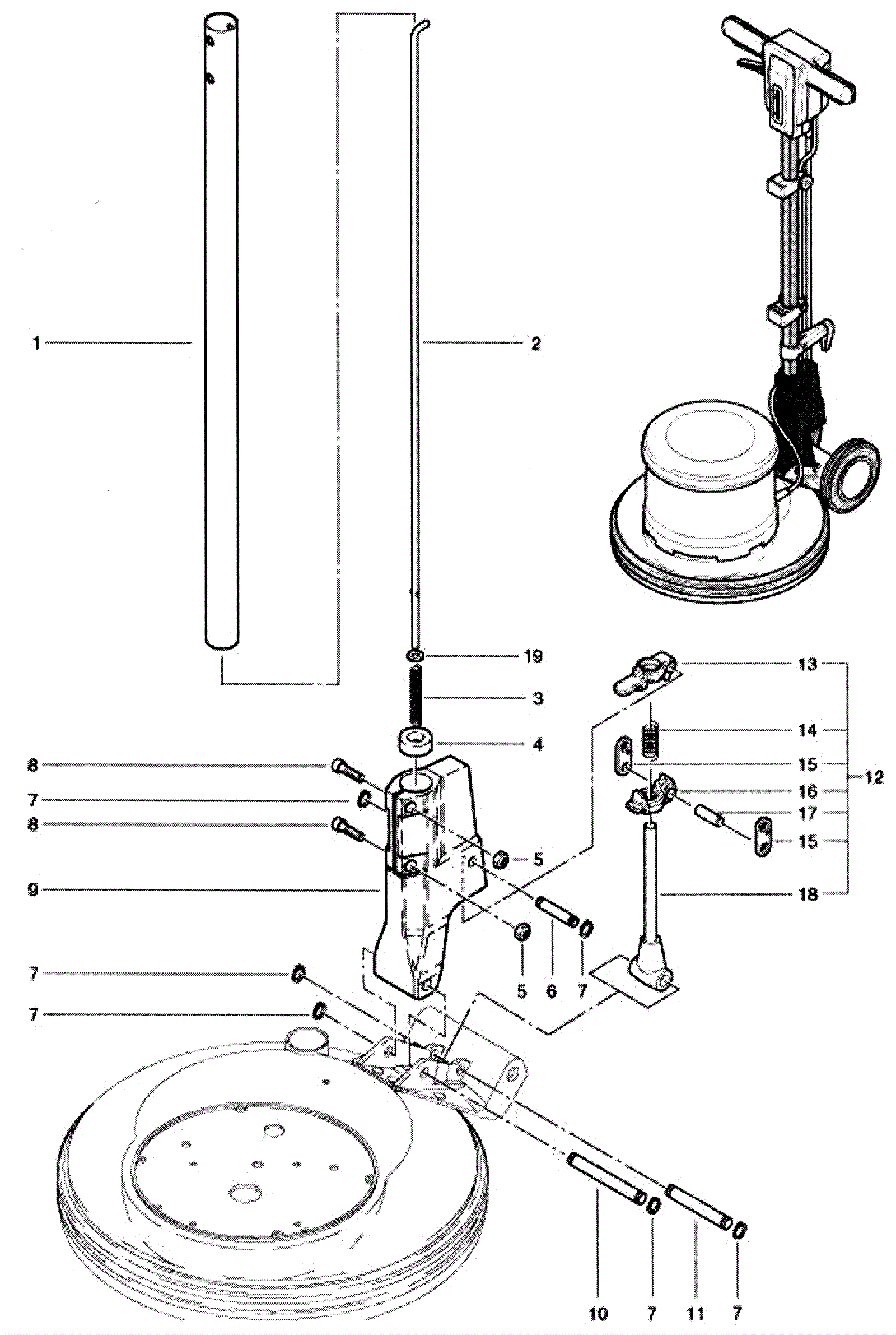
Shaft Assembly
Click to enlarge