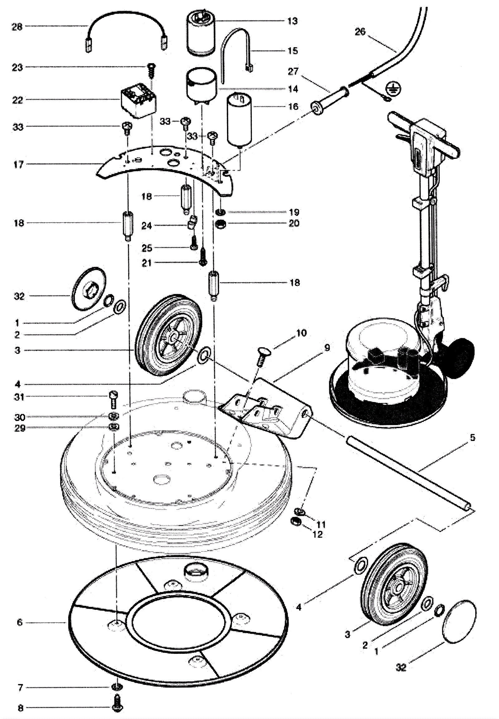
Axle Assembly
Click to enlarge