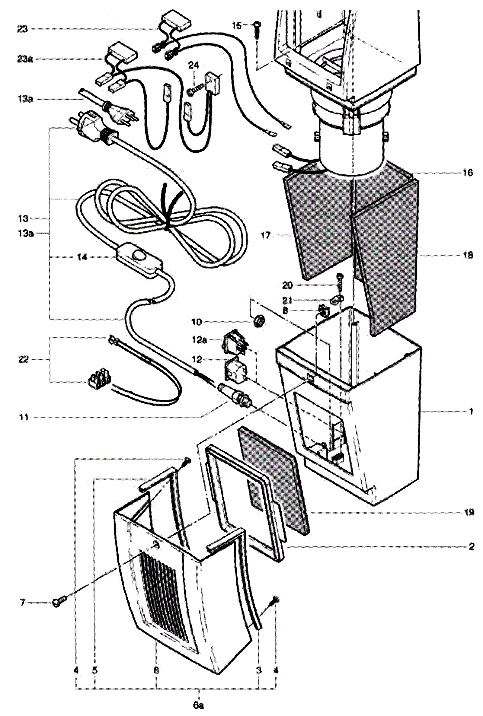
Lower Cover Assembly
Click to enlarge