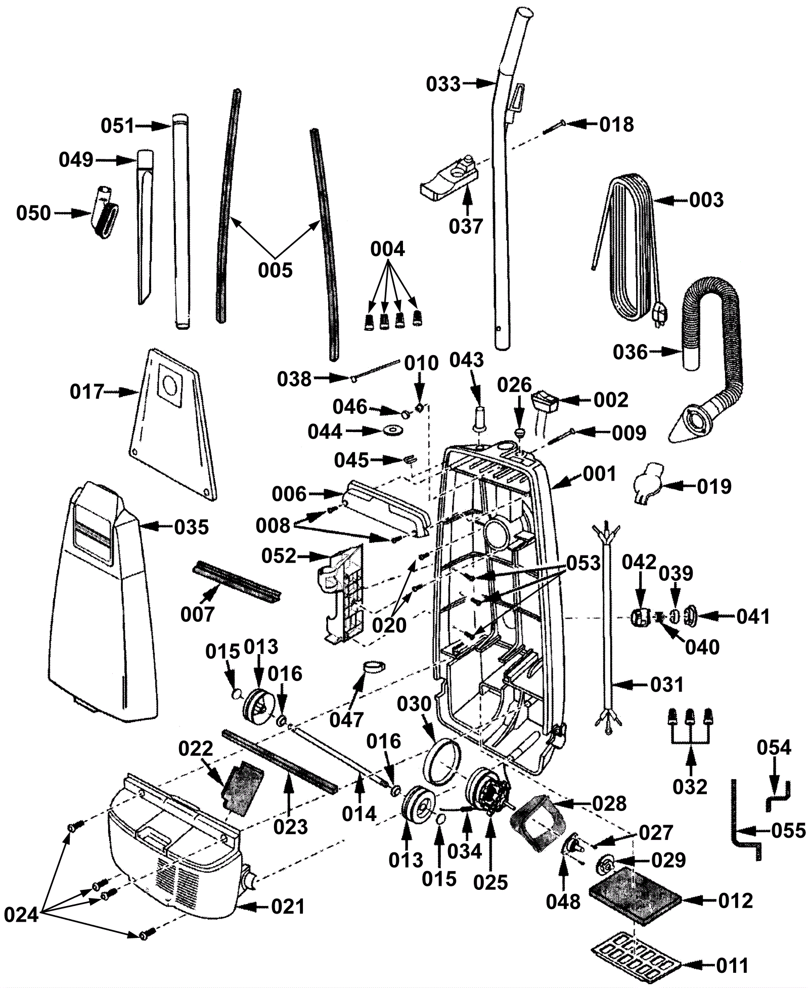
# | Part | Description | Price | Req | Notes | Availability |
001 |
195-8023
|
Dust compartment housing |
$99.79
|
1 |
includes 038, 044 thru 046 |
usually ships 1-5 days |
002 |
195-8022
|
On/off switch |
$12.46
|
1 |
includes 038 and 046 |
usually ships 1-5 days |
003 |
195-7671
|
Powercord 50 ft. |
$62.92
|
1 |
includes 038, 044, and 046 |
usually ships 10-11 days |
004 |
195-8020
|
Wire connector nut |
$11.35
|
4 |
|
usually ships 1-5 days |
005 |
192-8018
|
Bracket (OBSOLETE) |
Call for price
|
2 |
|
usually ships 1-5 days |
006 |
195-8017
|
Switch cover |
$7.21
|
1 |
|
usually ships 1-5 days |
007 |
195-8016
|
Cover switch gasket |
$3.83
|
1 |
|
usually ships 1-5 days |
008 |
195-8034
|
Screw |
$4.80
|
2 |
|
usually ships 1-5 days |
009 |
195-8450
|
Handle screw |
Call for price
|
1 |
|
usually ships 1-5 days |
010 |
195-8015
|
Nut |
$3.17
|
1 |
|
usually ships 1-5 days |
011 |
195-8014
|
Filter support |
$7.00
|
1 |
|
usually ships 1-5 days |
012 |
195-6102
|
Hepa filter |
$19.80
|
1 |
|
usually ships 10-11 days |
013 |
195-8013
|
Wheel |
$13.51
|
2 |
|
usually ships 1-5 days |
014 |
195-8012
|
Wheel shaft |
$8.83
|
1 |
|
usually ships 1-5 days |
015 |
195-8011
|
Wheel stop (10 pack) |
$7.70
|
1 |
|
usually ships 10-11 days |
016 |
195-8010
|
Washer (pkg of 10) |
$14.53
|
2 |
|
usually ships 1-5 days |
017a |
195-6103
|
Paper bags (12 pk) |
$40.41
|
1 |
|
usually ships 10-11 days |
017b |
195-7720
|
Cloth filter bag |
$58.21
|
1 |
|
usually ships 1-5 days |
018 |
195-7998
|
Screw hose holder (pkg of 10) |
$4.16
|
1 |
|
usually ships 1-5 days |
020 |
195-8034
|
Screw |
$4.80
|
2 |
|
usually ships 1-5 days |
021 |
195-6649
|
Motor case cover |
$34.21
|
1 |
|
usually ships 1-5 days |
022 |
195-8005
|
Rear cove gasket packing |
$5.73
|
1 |
|
usually ships 1-5 days |
023 |
195-7666
|
Motor cover gasket |
$5.49
|
1 |
|
usually ships 10-11 days |
024 |
195-8041
|
Screw (pkg of 10) |
$4.16
|
4 |
|
usually ships 1-5 days |
025 |
195-8003
|
Vac motor (OBSOLETE) |
$251.22
|
1 |
|
usually ships 10-11 days |
026 |
195-7664
|
Cap cover |
$5.19
|
1 |
|
usually ships 1-5 days |
027 |
195-7663
|
Screw |
$7.65
|
1 |
|
usually ships 1-5 days |
028 |
195-8002
|
Noise suppressor |
$6.85
|
1 |
|
usually ships 1-5 days |
029 |
195-8451
|
Rear motor support |
Call for price
|
1 |
|
usually ships 1-5 days |
030 |
195-7660
|
Front motor support |
$8.98
|
1 |
|
usually ships 1-5 days |
031 |
195-7659
|
Powercord |
$16.63
|
1 |
|
usually ships 1-5 days |
032 |
195-8020
|
Wire connector nut |
$11.35
|
3 |
|
usually ships 1-5 days |
033 |
195-8452
|
Vac handle |
Call for price
|
1 |
includes 018 and 037 |
usually ships 1-5 days |
034 |
195-7988
|
Motor wire lead |
$5.89
|
1 |
|
usually ships 1-5 days |
035 |
195-8453
|
Dust bag cover |
$39.08
|
1 |
|
usually ships 1-5 days |
036 |
195-7996
|
Hose |
$58.21
|
1 |
|
usually ships 1-5 days |
037 |
195-8454
|
Hose holder |
Call for price
|
1 |
|
usually ships 1-5 days |
038 |
195-7987
|
Wire tie (pkg of 10) |
$4.16
|
1 |
|
usually ships 1-5 days |
039 |
195-7653
|
Protector |
$16.63
|
1 |
|
usually ships 1-5 days |
040 |
195-8004
|
Protector spring blue |
$6.25
|
1 |
|
usually ships 1-5 days |
041 |
195-7651
|
Protector support |
$7.28
|
1 |
|
usually ships 1-5 days |
042 |
195-7650
|
Shell protector case |
$7.28
|
1 |
|
usually ships 1-5 days |
043 |
195-7649
|
Strain relief |
$6.25
|
1 |
|
usually ships 1-5 days |
044 |
195-7648
|
Washer flat round |
$6.25
|
1 |
|
usually ships 1-5 days |
045 |
195-7647
|
Cord retainer |
$6.25
|
1 |
|
usually ships 1-5 days |
046 |
195-7992
|
Gasket |
$3.28
|
1 |
|
usually ships 1-5 days |
047 |
195-8008
|
Hose hook |
$3.37
|
1 |
|
usually ships 10-11 days |
048 |
195-8455
|
Motor flange |
Call for price
|
1 |
|
usually ships 1-5 days |
049 |
195-7994
|
Crevice tool |
$9.24
|
1 |
|
usually ships 10-11 days |
050 |
195-7995
|
Dusting brush |
$15.84
|
1 |
|
usually ships 10-11 days |
051 |
195-7993
|
Wand |
$23.76
|
1 |
|
usually ships 10-11 days |
052 |
195-6652
|
Wand holder (OBSOLETE) |
$13.43
|
1 |
|
usually ships 10-11 days |
053 |
195-8034
|
Screw |
$4.80
|
1 |
|
usually ships 1-5 days |
054 |
195-7991
|
Right packing gasket |
$3.52
|
1 |
|
usually ships 1-5 days |
055 |
195-7990
|
Left packing gasket |
$3.64
|
1 |
|
usually ships 1-5 days |