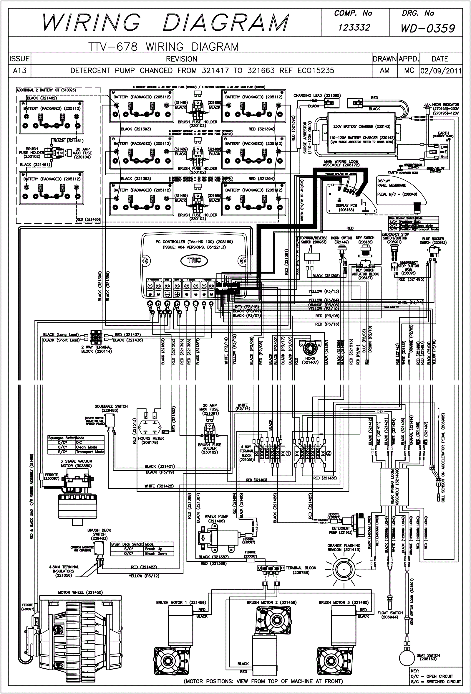
Wiring Diagram (SN Start 1135)
Click to enlarge