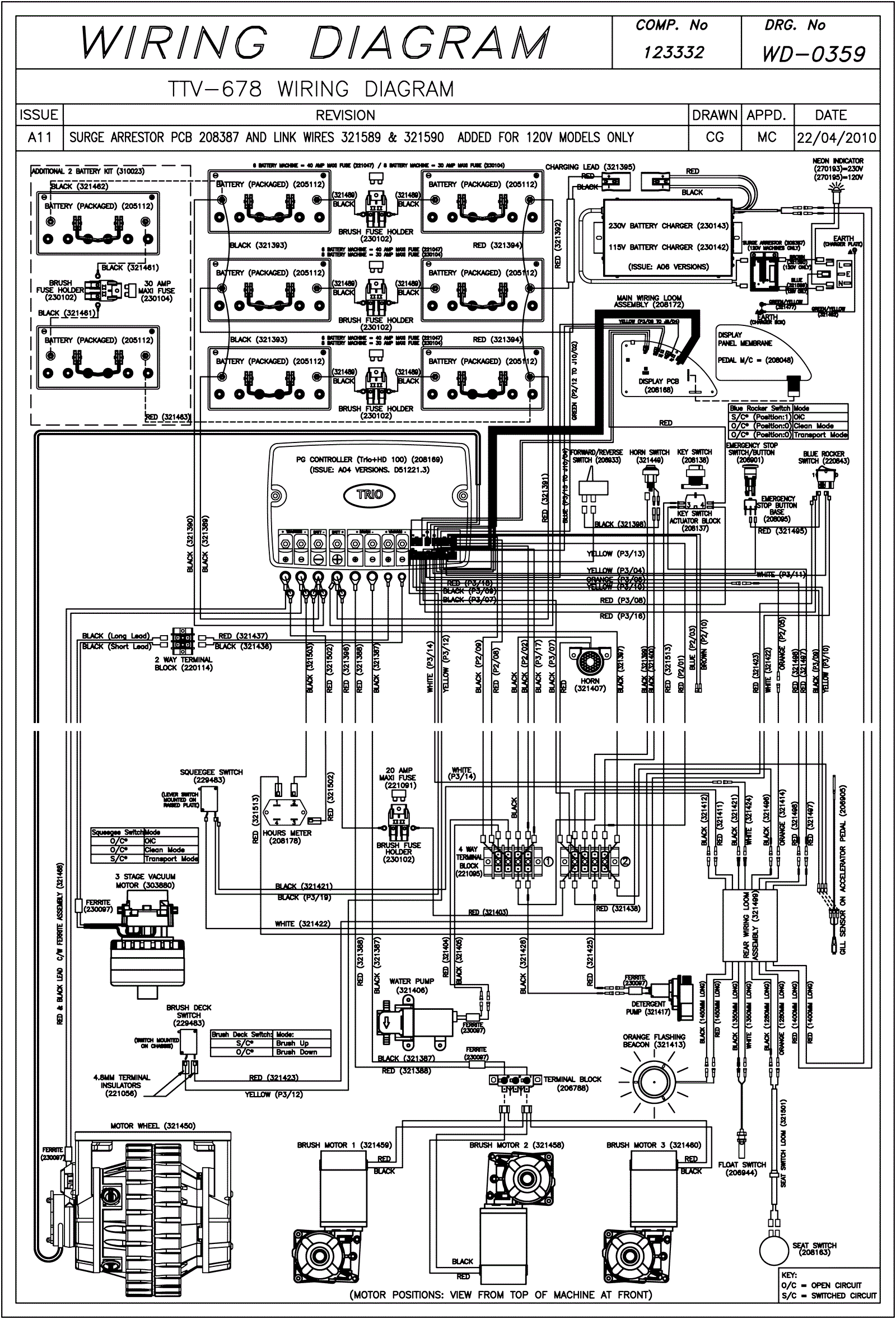
Wiring Diagram (SN Start 1016)
Click to enlarge