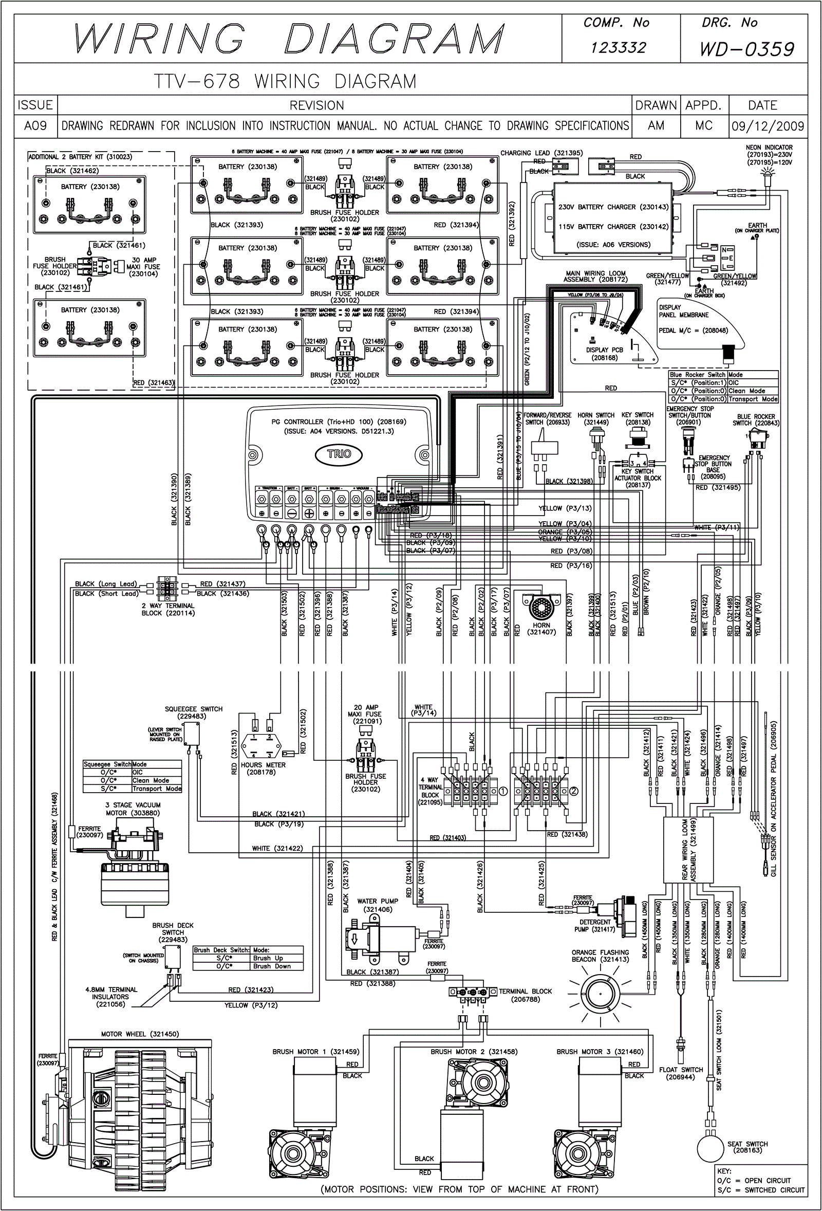
Wiring Diagram (SN Start 0950)
Click to enlarge