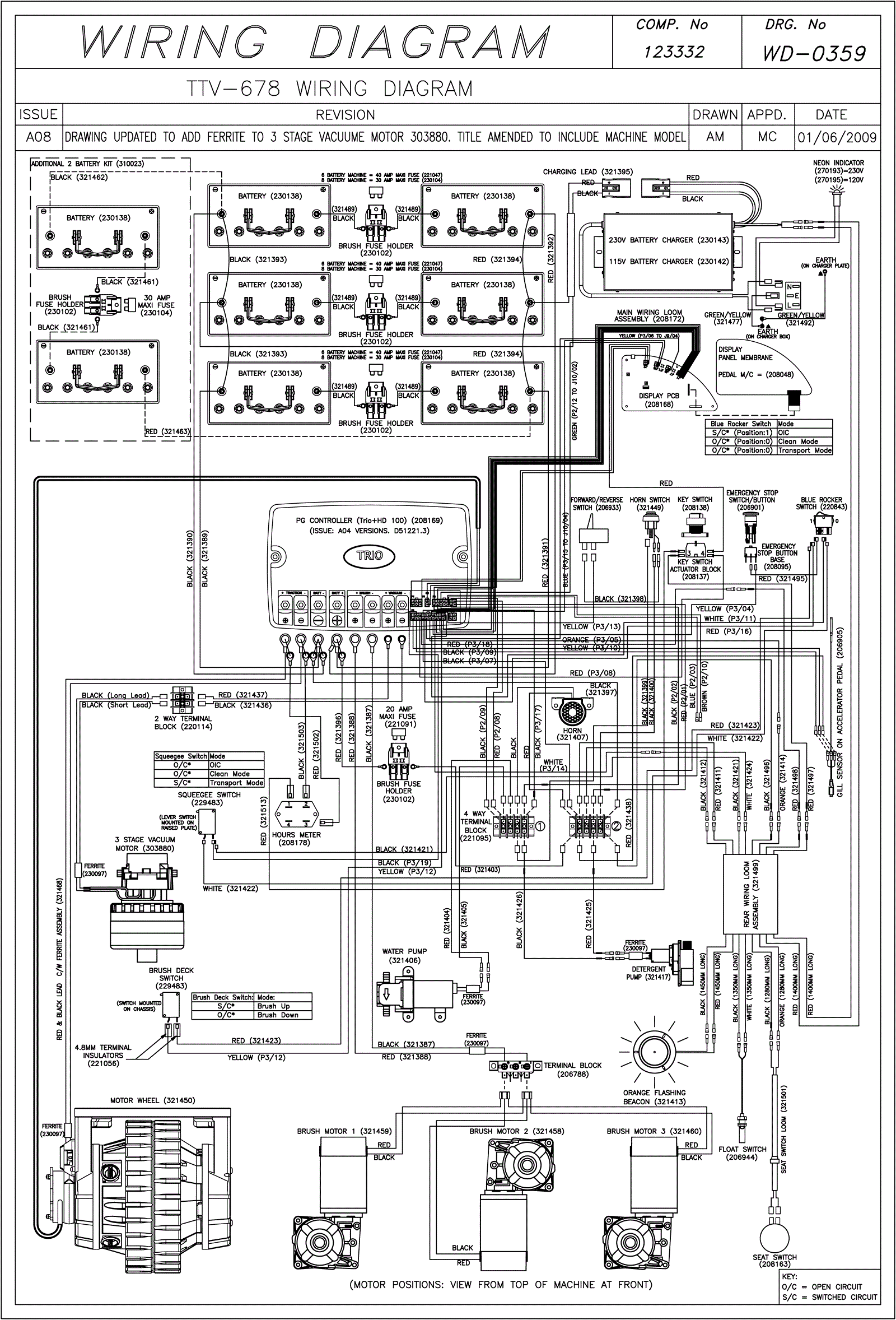
Wiring Diagram (SN Start 0923)
Click to enlarge