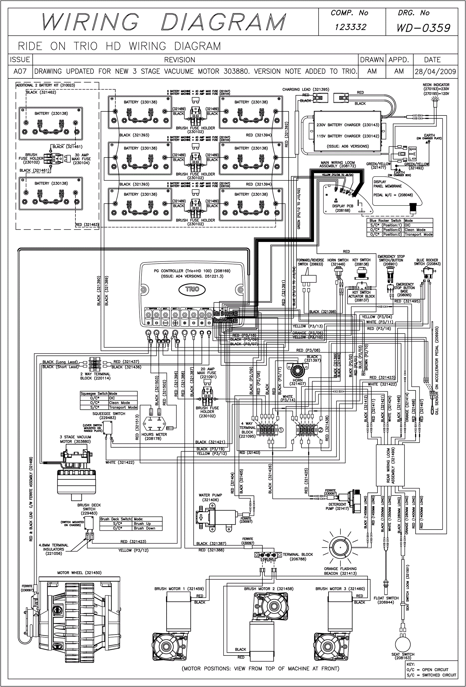
Wiring Diagram (SN Start 0918)
Click to enlarge