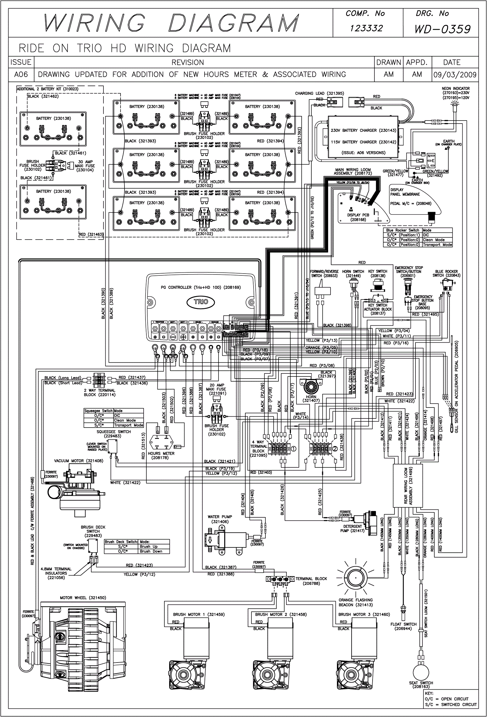
Wiring Diagram (SN Start 0913)
Click to enlarge