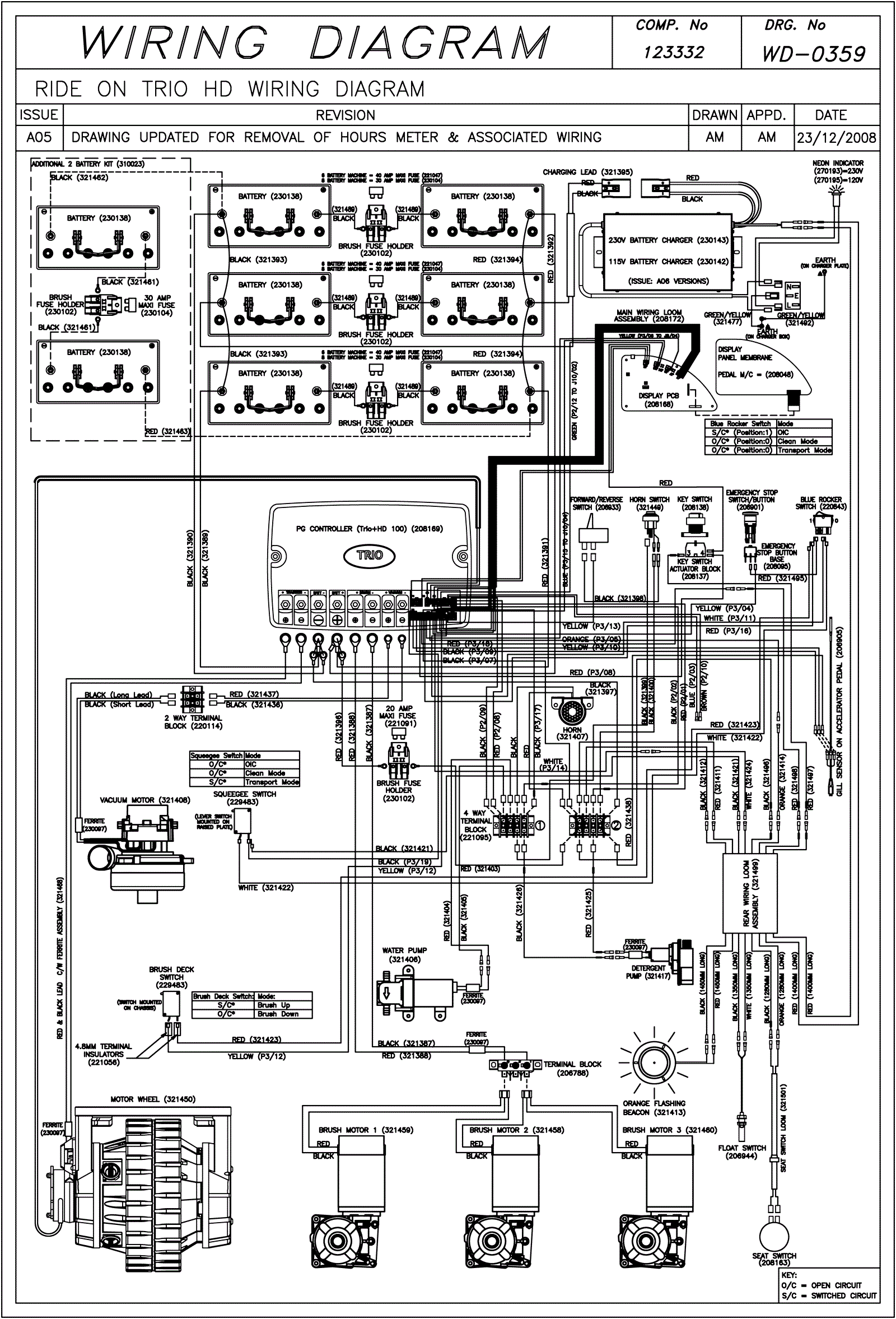
Wiring Diagram (SN Start 0851)
Click to enlarge