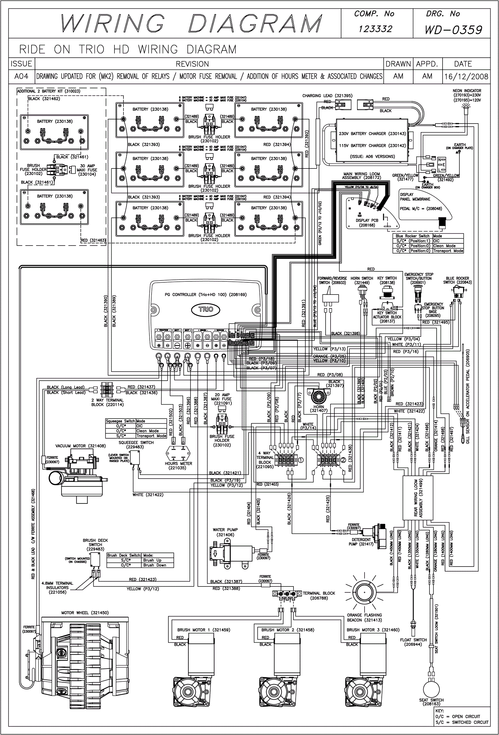
Wiring Diagram (SN Start 0849)
Click to enlarge