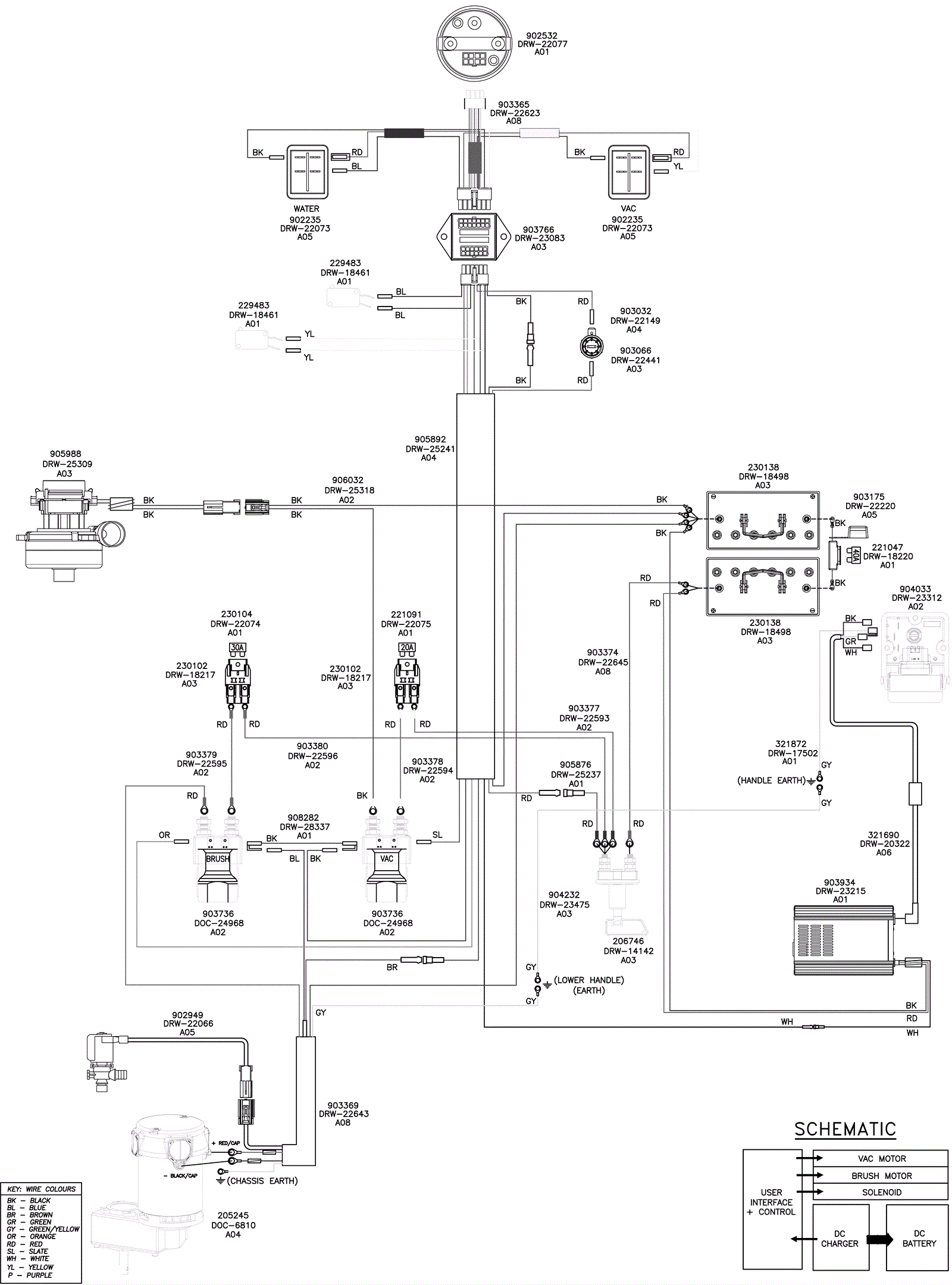
Wiring Diagram-Updated 04/18/2011
Click to enlarge