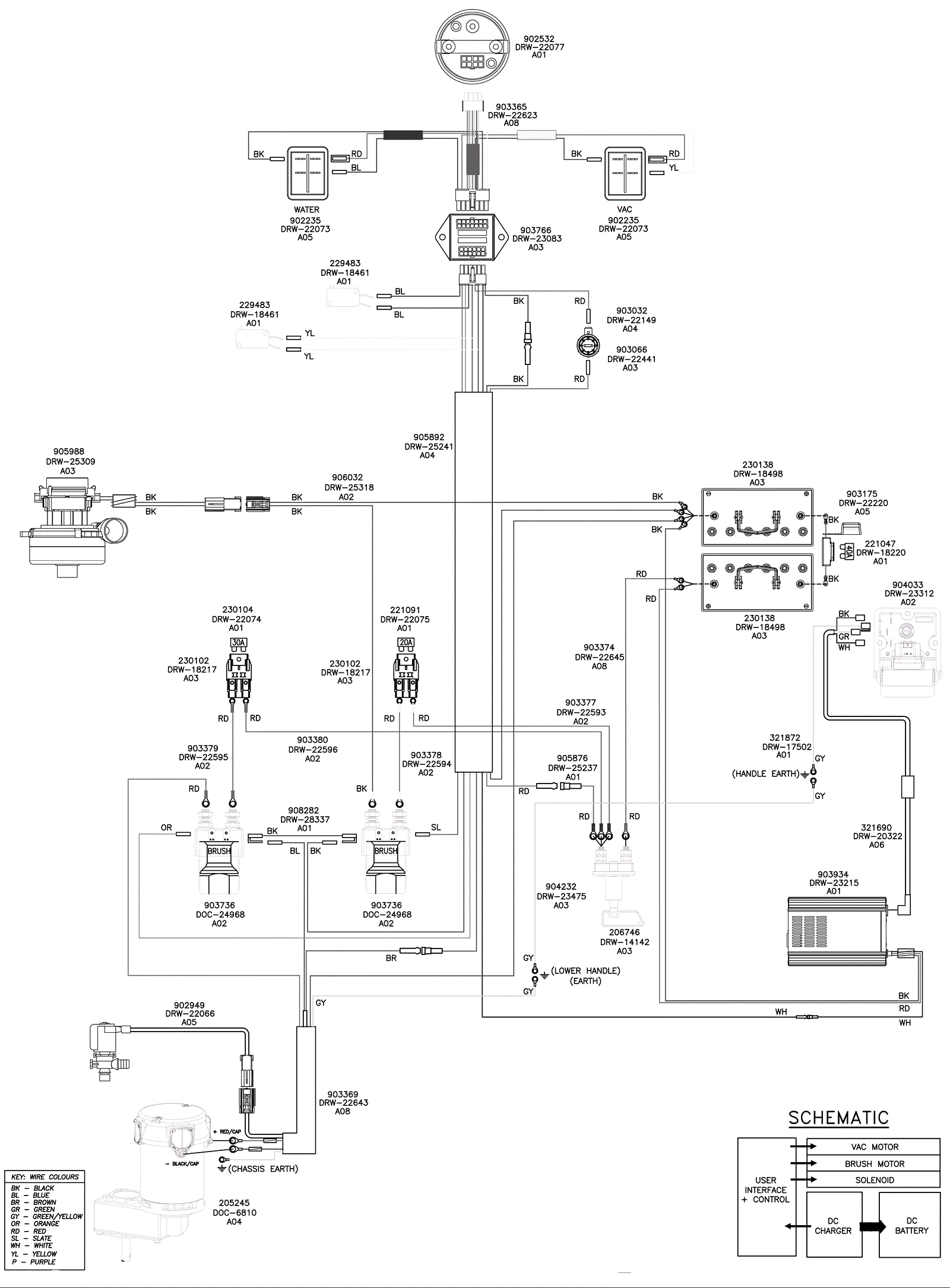
Wiring Diagram-Updated 03/18/2021
Click to enlarge