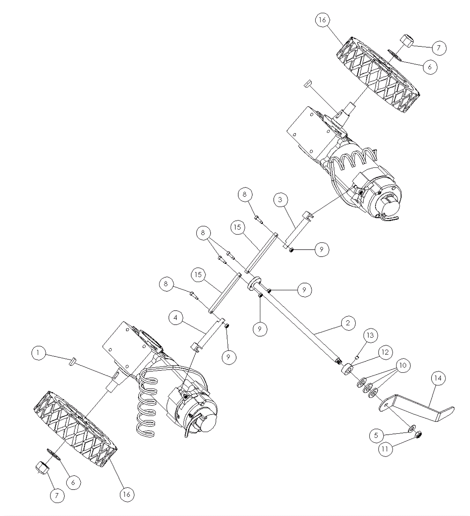
| # | Part | Description | Price | Req | Notes | Availability |
1 |
292-4221
|
Steel key |
$2.44
|
2 |
|
usually ships 19-25 days |
2 |
292-4222
|
Brake connecting rod weldment |
$277.12
|
1 |
|
usually ships 19-25 days |
3 |
292-4223
|
Right brake pin |
$249.52
|
1 |
|
usually ships 19-25 days |
4 |
292-4224
|
Left brake pin |
$249.52
|
1 |
|
usually ships 19-25 days |
5 |
292-4180
|
Washer |
$2.44
|
2 |
|
usually ships 19-25 days |
6 |
N/A
|
Not available |
Call for price
|
2 |
(1/4 inch flat washer) |
usually ships 3-26 days |
7 |
N/A
|
Not available |
Call for price
|
2 |
(nylon insert nut) |
usually ships 3-26 days |
8 |
N/A
|
Not available |
Call for price
|
4 |
(slotted shoulder bolt) |
usually ships 3-26 days |
9 |
N/A
|
Not available |
Call for price
|
4 |
(thin nylon insert nut) |
usually ships 3-26 days |
10 |
N/A
|
Not available |
Call for price
|
3 |
(1/2 inch bearing) |
usually ships 3-26 days |
11 |
N/A
|
Not available |
Call for price
|
1 |
(thin nylon insert nut) |
usually ships 3-26 days |
12 |
292-4225
|
Shaft collar |
$30.55
|
1 |
|
usually ships 19-25 days |
13 |
292-4225
|
Shaft collar |
$30.55
|
1 |
|
usually ships 19-25 days |
14 |
292-4226
|
Brake handle |
$247.52
|
1 |
|
usually ships 19-25 days |
15 |
292-4227
|
Brake link |
$328.25
|
2 |
|
usually ships 19-25 days |
16 |
292-4228
|
Drive wheel |
$605.76
|
2 |
|
usually ships 19-25 days |