| # | Part | Description | Price | Req | Notes | Availability |
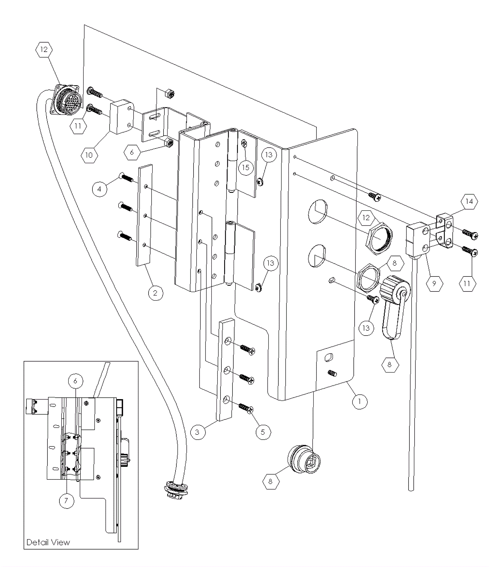
1 |
292-8631
|
Double pin hinge assembly |
$537.92
|
1 |
|
usually ships 19-25 days |
2 |
292-8632
|
1/8 inch door hinge spacer |
$115.51
|
1 |
|
usually ships 19-25 days |
3 |
292-8633
|
1/4 inch door hinge spacer |
$139.93
|
1 |
|
usually ships 19-25 days |
4 |
N/A
|
Not available |
Call for price
|
3 |
(screw) |
usually ships 3-26 days |
5 |
N/A
|
Not available |
Call for price
|
3 |
(screw) |
usually ships 3-26 days |
6 |
N/A
|
Not available |
Call for price
|
5 |
(nylon insert nut) |
usually ships 3-26 days |
7 |
N/A
|
Not available |
Call for price
|
3 |
(nylon insert nut) |
usually ships 3-26 days |
8 |
292-8634
|
Connector plug |
$129.16
|
1 |
|
usually ships 19-25 days |
9 |
292-8635
|
Magnet switch |
$643.67
|
1 |
|
usually ships 19-25 days |
10 |
292-8636
|
Actuator magnet |
$898.26
|
1 |
|
usually ships 19-25 days |
11 |
N/A
|
Not available |
Call for price
|
4 |
(screw) |
usually ships 3-26 days |
12 |
292-8637
|
Main body wire harness |
$583.98
|
1 |
|
usually ships 19-25 days |
13 |
N/A
|
Not available |
Call for price
|
4 |
(screw) |
usually ships 3-26 days |
14 |
292-8638
|
Switch umbrella bracket |
$53.06
|
1 |
|
usually ships 19-25 days |
15 |
N/A
|
Not available |
Call for price
|
1 |
(screw) |
usually ships 3-26 days |