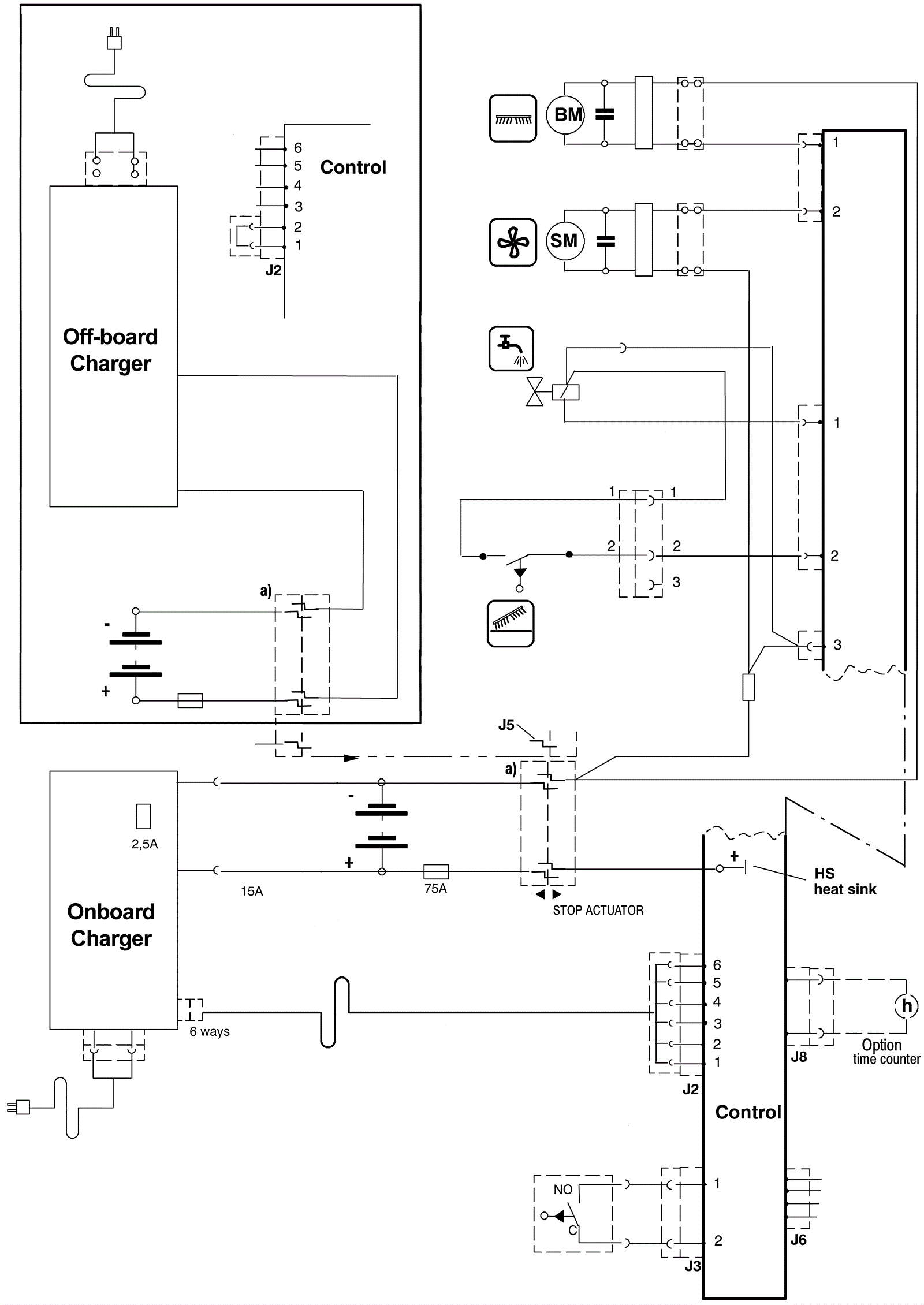
Wiring Diagram - Eco Model - Series 1 and 2
Click to enlarge