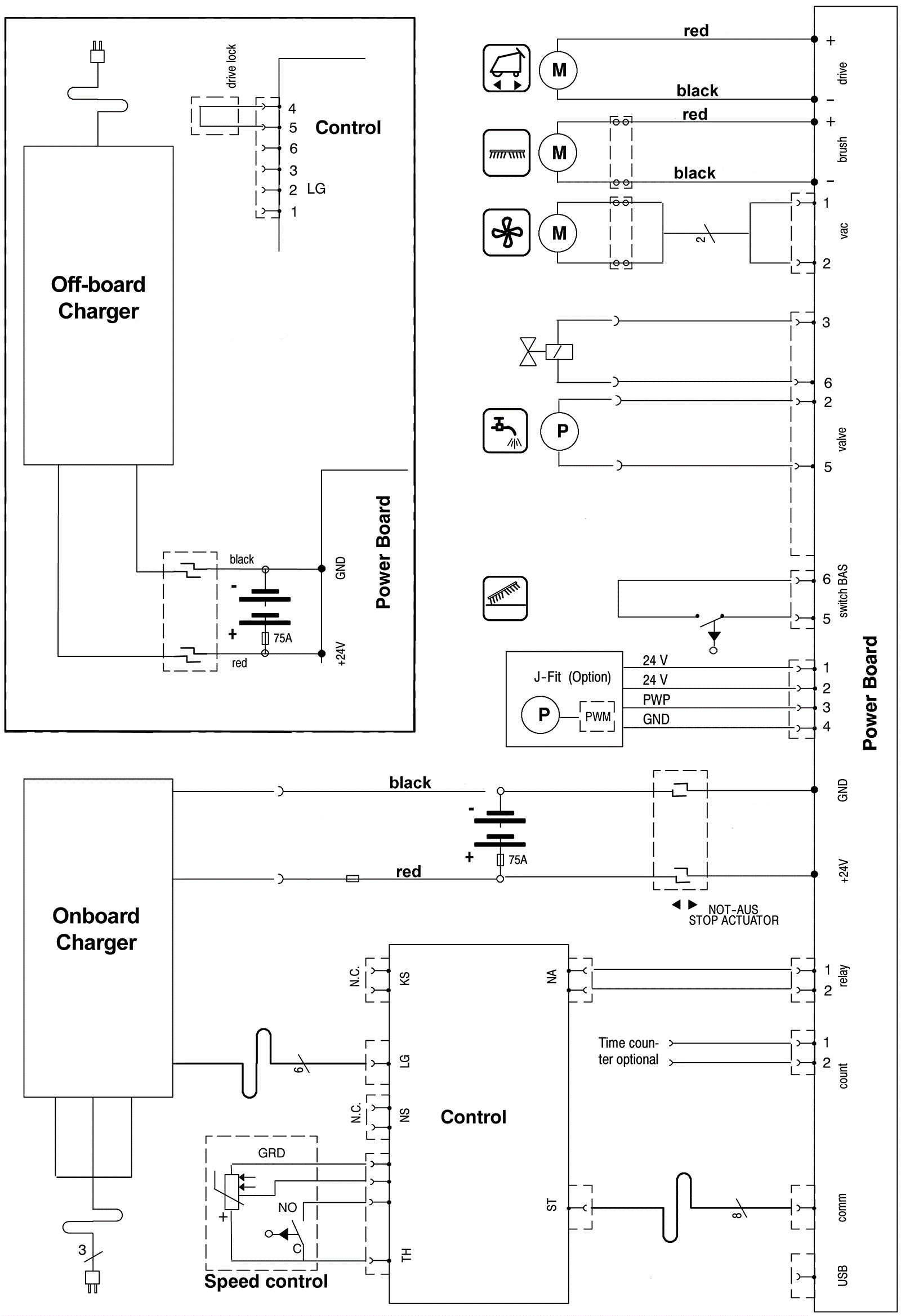
Wiring Diagram - Power Model - Series 1 and 2
Click to enlarge