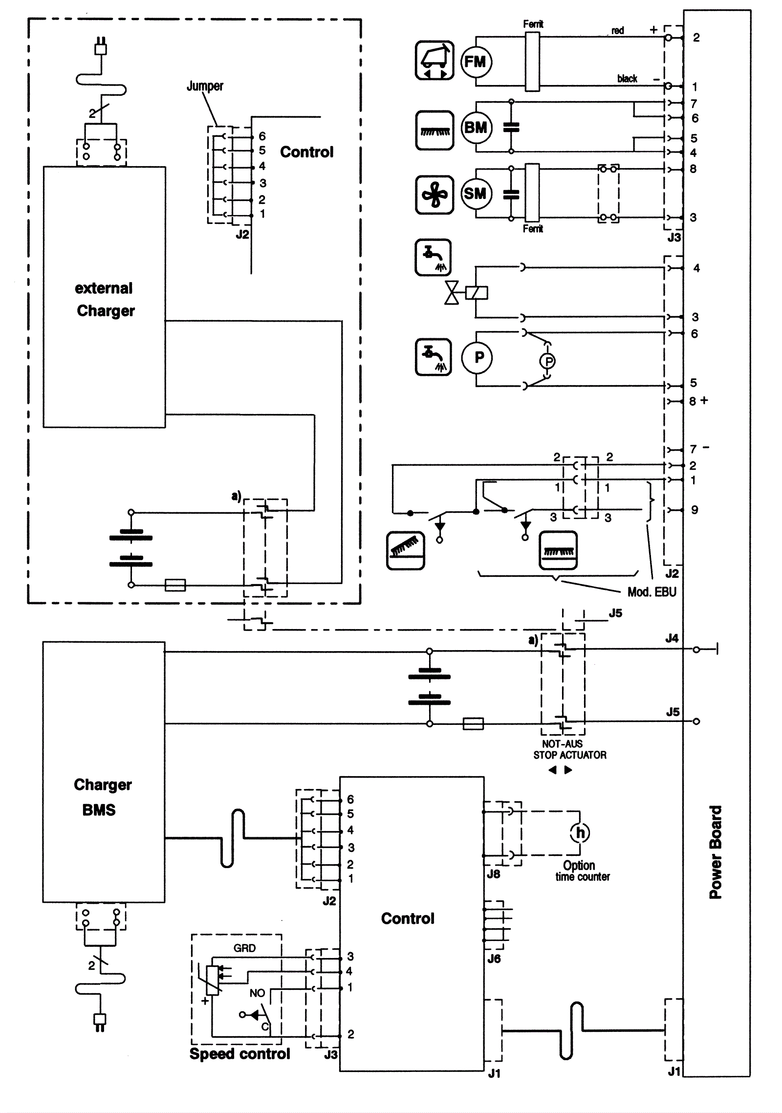
Electrical Diagram - Series 02 Before 01.2006
Click to enlarge