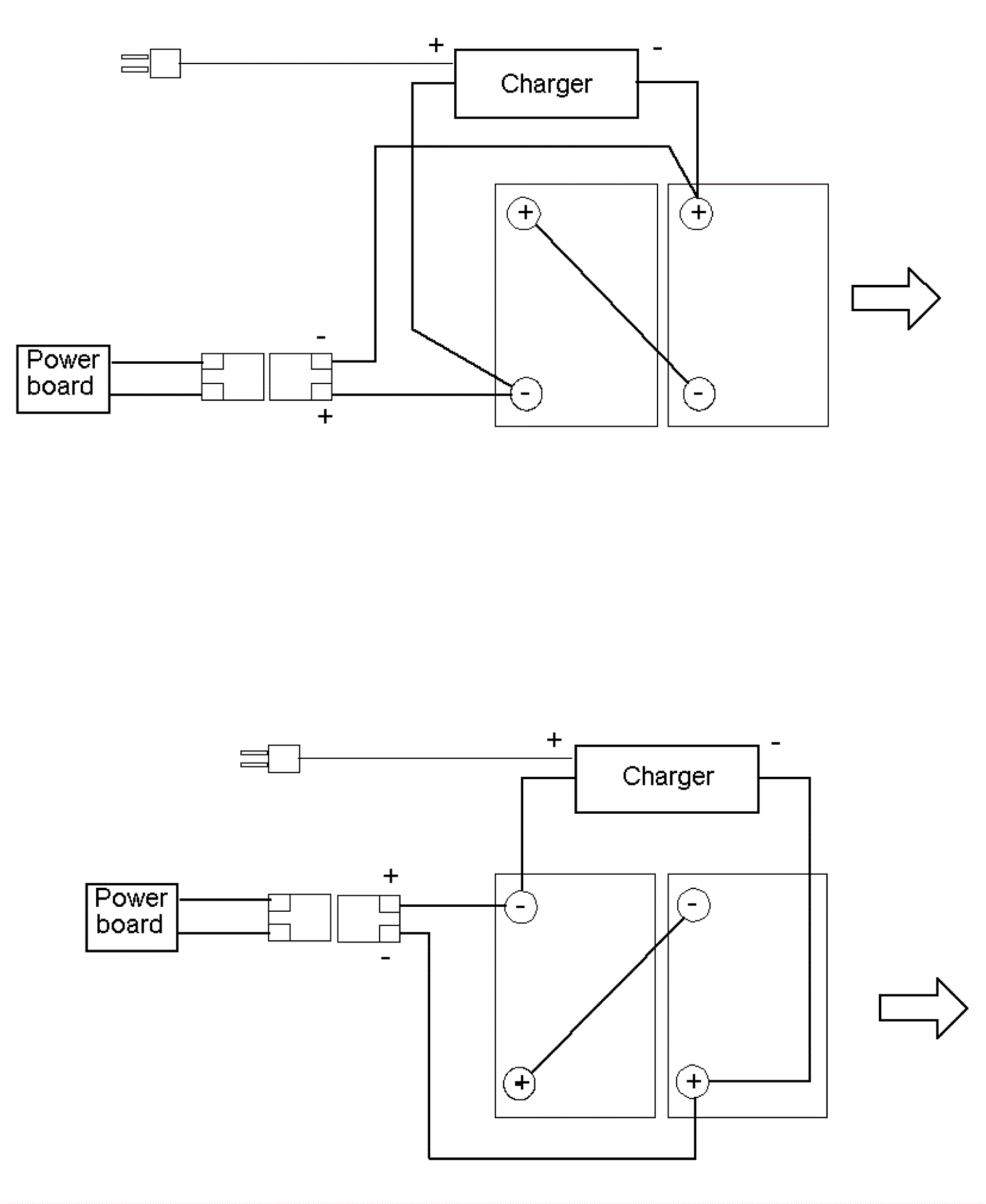
Battery Connection Diagram
Click to enlarge