| # | Part | Description | Price | Req | Notes | Availability |
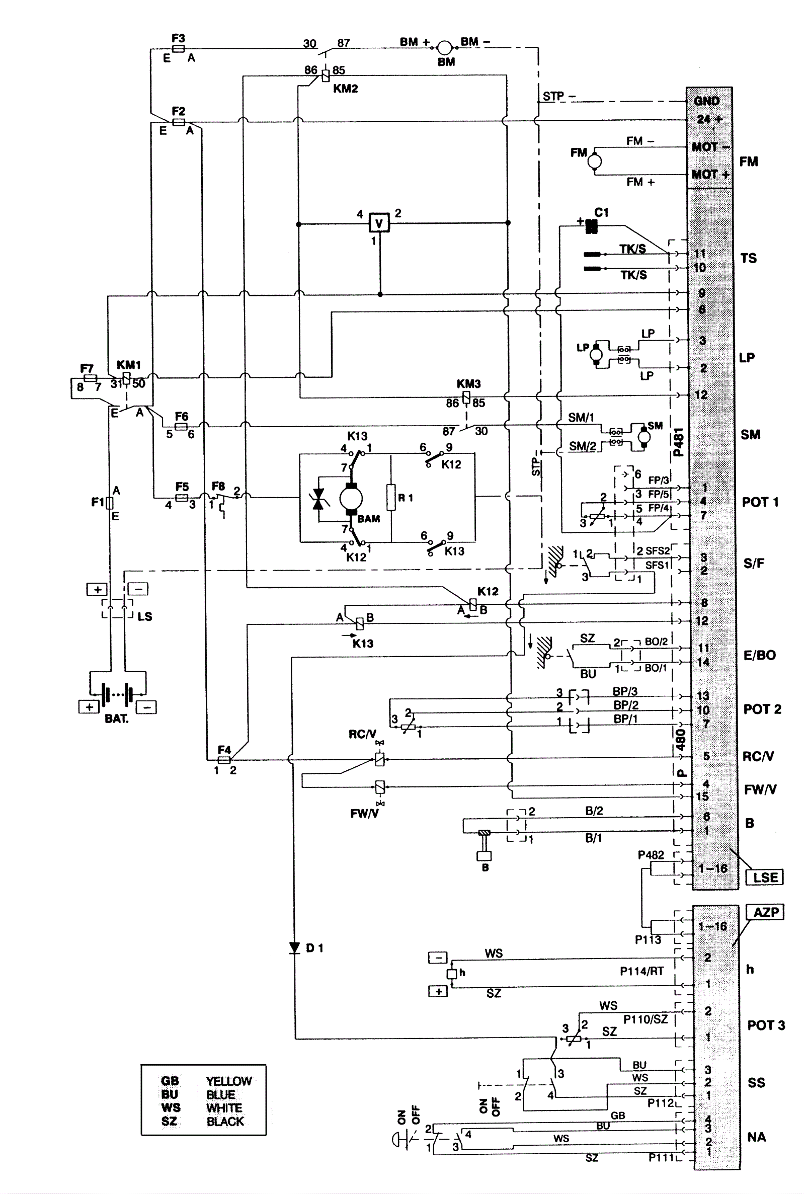
AZP |
192-0010
|
Display panel circuit board |
$464.00
|
1 |
|
usually ships 19-25 days |
B |
192-0271
|
Magnetic brake complete |
$606.72
|
1 |
|
usually ships 19-25 days |
BAM |
192-0449
|
Actuator motor |
$883.22
|
1 |
|
usually ships 1-5 days |
BM |
192-0475
|
Brush motor |
$1,092.92
|
1 |
|
usually ships 19-25 days |
BM |
192-0518
|
Brush motor |
$1,229.09
|
1 |
|
usually ships 1-5 days |
E/BO |
192-0296
|
Microswitch |
$102.02
|
1 |
|
ships same day |
F1 |
192-0368
|
Fuse strip 80 amp |
$6.23
|
1 |
|
usually ships 19-25 days |
F2 |
192-0369
|
Fuse strip 30 amp |
$2.56
|
1 |
|
usually ships 19-25 days |
F3 |
192-0369
|
Fuse strip 30 amp |
$2.56
|
1 |
|
usually ships 19-25 days |
F4 |
192-0370
|
5amp fuse clip |
$2.56
|
1 |
|
usually ships 19-25 days |
F5 |
192-0371
|
Fuse clip 25 amp (OBSOLETE) |
$2.20
|
1 |
|
usually ships 1-5 days |
F6 |
192-0369
|
Fuse strip 30 amp |
$2.56
|
1 |
|
usually ships 19-25 days |
F7 |
192-0370
|
5amp fuse clip |
$2.56
|
1 |
|
usually ships 19-25 days |
F8 |
192-0393
|
Overvoltage protection |
$23.56
|
1 |
|
usually ships 1-5 days |
FM |
192-0263
|
Insulating tube (sold by the inch) |
$3.16
|
1 |
|
usually ships 1-5 days |
FP |
192-0333
|
Solution pump (1400-1900 models) (OBSOLETE) |
$545.15
|
1 |
|
usually ships 19-25 days |
FW/V |
192-0396
|
24V magnetic valve |
$192.01
|
1 |
|
ships same day |
h |
192-0033
|
24V hour meter |
$85.98
|
1 |
|
ships same day |
K12 |
192-0372
|
24V relay (OBSOLETE) |
$76.92
|
1 |
|
usually ships 19-25 days |
K13 |
192-0372
|
24V relay (OBSOLETE) |
$76.92
|
1 |
|
usually ships 19-25 days |
KM1 |
192-0373
|
24V relay (OBSOLETE) |
$85.67
|
1 |
|
usually ships 19-25 days |
KM2 |
192-0374
|
Relay 24V |
$392.62
|
1 |
|
usually ships 19-25 days |
KM3 |
192-0374
|
Relay 24V |
$392.62
|
1 |
|
usually ships 19-25 days |
LS |
192-0405
|
Connector |
$3.08
|
1 |
|
usually ships 19-25 days |
LSE |
192-0367
|
Electronic control board |
$3,566.28
|
1 |
|
usually ships 19-25 days |
NA |
192-0029
|
Stop actuator (OBSOLETE) |
$147.94
|
1 |
|
usually ships 19-25 days |
POT1 |
192-0059
|
Potentiometer 5K |
$45.06
|
1 |
|
ships same day |
POT2 |
192-0059
|
Potentiometer 5K |
$45.06
|
1 |
|
ships same day |
POT3 |
192-0059
|
Potentiometer 5K |
$45.06
|
1 |
|
ships same day |
RC/V |
192-0396
|
24V magnetic valve |
$192.01
|
1 |
|
ships same day |
S/F |
192-0049
|
Microswitch (OBSOLETE) |
$21.76
|
1 |
|
usually ships 19-25 days |
SM |
192-0956
|
24V 3 stage vac motor |
$286.25
|
1 |
|
ships same day |
SS |
192-9310
|
Key switch |
Call for price
|
1 |
|
usually ships 1-5 days |
TS |
192-0180
|
Probe |
$19.86
|
1 |
|
usually ships 19-25 days |