| # | Part | Description | Price | Req | Notes | Availability |
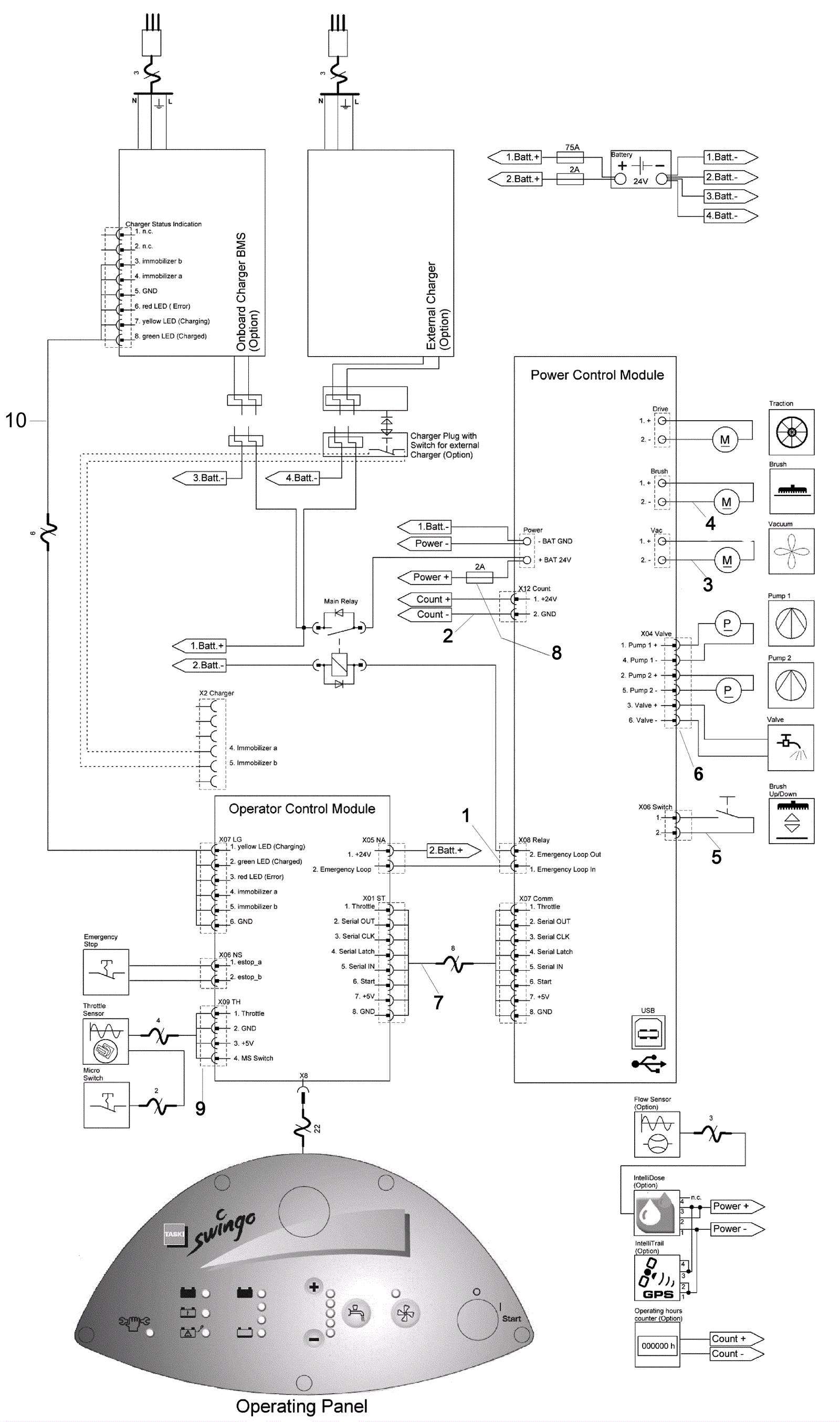
1 |
292-8567
|
Wire harness (e-stop) |
$23.33
|
1 |
|
usually ships 19-25 days |
2 |
292-8568
|
Wire harness (hour meter) |
$43.54
|
1 |
|
usually ships 19-25 days |
3 |
192-9545
|
Wiring harness (vac motor to control board) |
$43.59
|
1 |
|
ships same day |
4 |
292-8569
|
Wire harness (brush motor) |
$32.25
|
1 |
|
usually ships 19-25 days |
5 |
292-8570
|
Wire harness (solution, pump and brush lift) |
$3.72
|
1 |
|
usually ships 19-25 days |
6 |
292-0505
|
Wire harness |
$18.28
|
1 |
|
usually ships 19-25 days |
7 |
192-9329
|
Communication cable (dashboard to power electronic) |
$14.10
|
1 |
|
ships same day |
8 |
192-1174
|
2amp fuse clip |
$6.11
|
1 |
|
ships same day |
9 |
192-8892
|
6-way ribbon cable |
$10.71
|
1 |
|
ships same day |
10 |
192-9549
|
Cable (dashboard to charger) |
$32.95
|
1 |
|
usually ships 19-25 days |
N/S |
292-0848
|
25mm 4AWG wire (red) |
$23.68
|
1 |
|
usually ships 19-25 days |