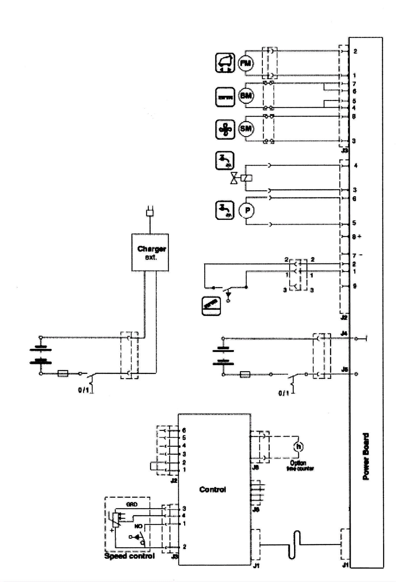
Electrical Diagram - Power Series 1
Click to enlarge