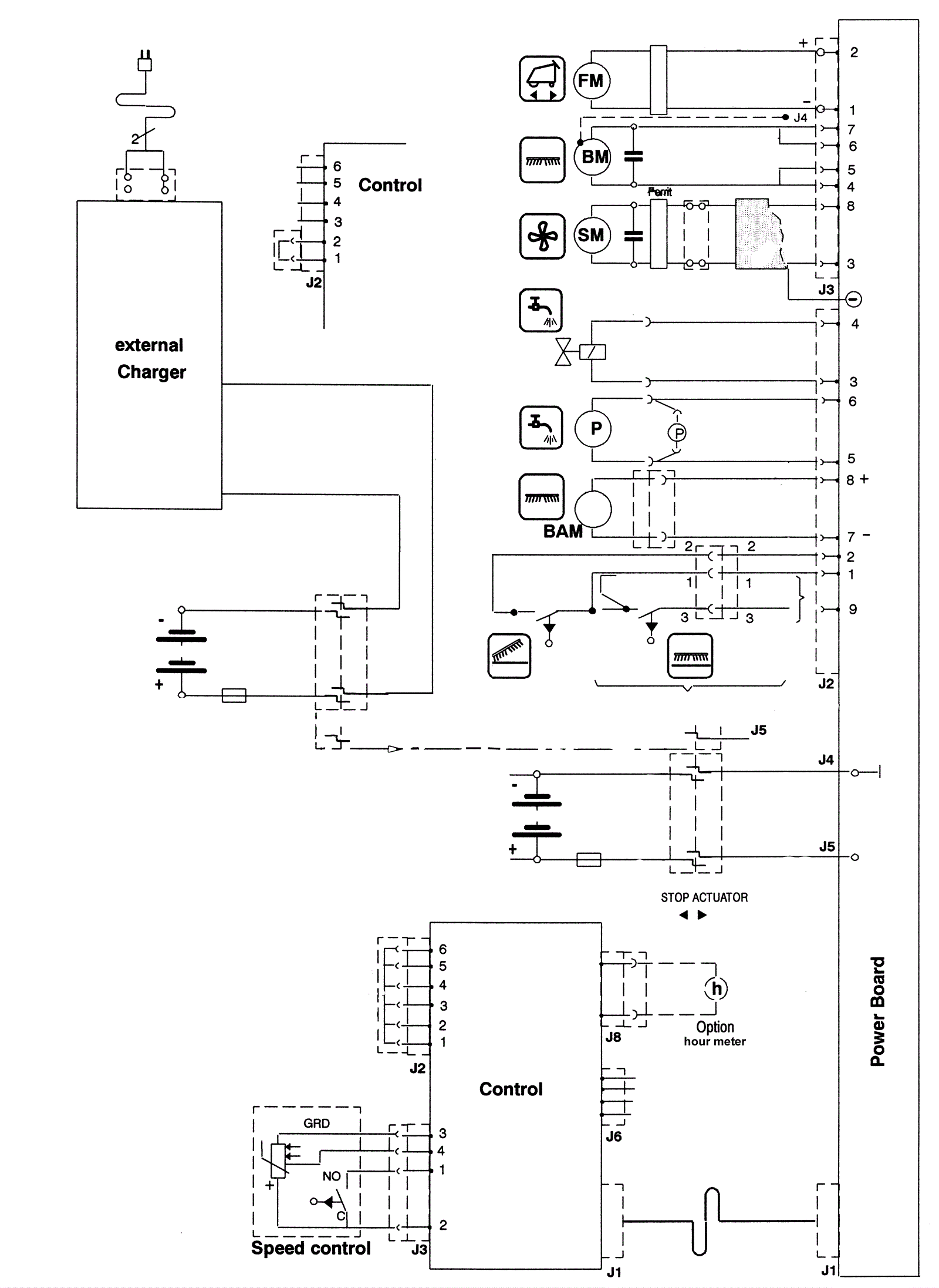
SWINGO 1250B
Electrical Diagram - Series 02 After 01.2006
Click to enlarge
#
Part
Description
Price
Req
Notes
Availability
0.9835
192-2948
Communication cable
$60.17
1
usually ships 19-25 days