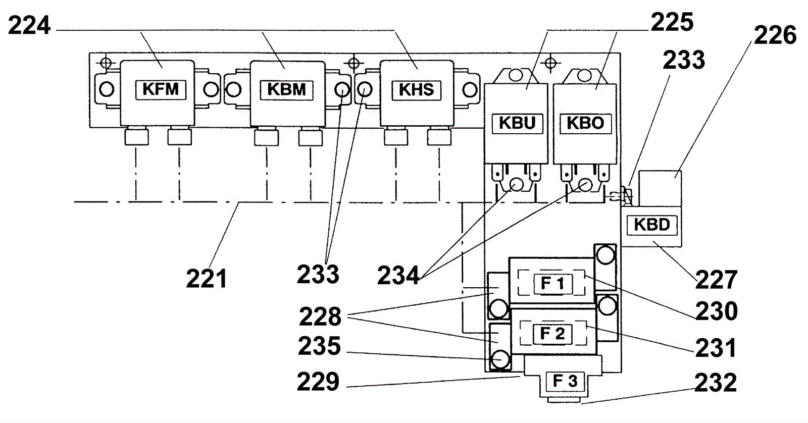
Electrical Parts Assembly 2
Click to enlarge