| # | Part | Description | Price | Req | Notes | Availability |
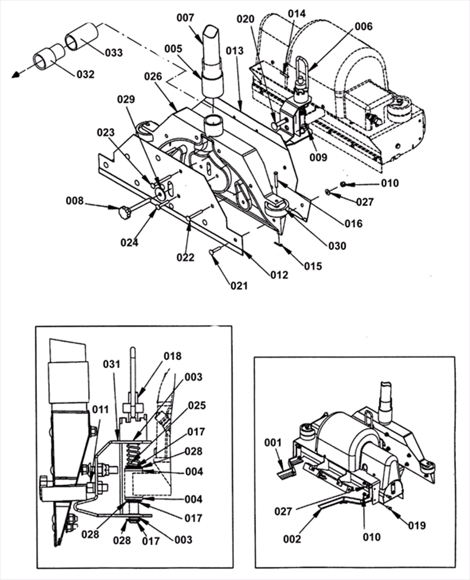
001 |
192-7717
|
Right brush housing arm |
Call for price
|
1 |
|
usually ships 1-5 days |
002 |
192-7793
|
Left brush housing arm |
Call for price
|
1 |
|
usually ships 1-5 days |
003 |
192-7794
|
Bearing 1/2 |
Call for price
|
2 |
|
usually ships 1-5 days |
004 |
192-7795
|
Bushing 1/2 x 3/4 x 3/4 |
Call for price
|
2 |
|
usually ships 1-5 days |
005 |
192-7796
|
Cuff (OBSOLETE) |
Call for price
|
1 |
|
usually ships 1-5 days |
006 |
192-7797
|
Height adjusment collar assembly |
Call for price
|
1 |
|
usually ships 1-5 days |
007 |
192-3775
|
1-1/2 in flex hose (sold by the inch) (OBSOLETE) |
$2.05
|
40 in |
|
usually ships 1-5 days |
008 |
192-7798
|
Knob 1 -3/8 x 3/8 x 163 (OBSOLETE) |
Call for price
|
1 |
|
usually ships 1-5 days |
009 |
192-6337
|
Nut 3/8-16 self locking |
$4.18
|
1 |
|
usually ships 19-25 days |
010 |
192-7746
|
Nut 1/4-20 hex nylock (OBSOLETE) |
$2.20
|
15 |
|
usually ships 1-5 days |
011 |
192-7722
|
Nut 3/8-16 hex nylock |
Call for price
|
1 |
|
usually ships 1-5 days |
012 |
192-7799
|
Vacuum plate |
Call for price
|
1 |
|
usually ships 1-5 days |
013 |
192-7800
|
Vacuum trap plate |
Call for price
|
1 |
|
usually ships 1-5 days |
014 |
173-5205
|
Pin (OBSOLETE) |
$1.03
|
1 |
|
usually ships 11-15 days |
015 |
173-1053
|
Cotter hair pin |
$0.99
|
2 |
|
usually ships 1-5 days |
016 |
173-3433
|
Clevis pin |
$5.59
|
2 |
|
usually ships 1-5 days |
017 |
192-7804
|
Retaining ring 1/2 |
Call for price
|
3 |
|
usually ships 1-5 days |
018 |
192-7805
|
Vacuum pivot rod |
Call for price
|
1 |
|
usually ships 1-5 days |
019 |
192-7724
|
Screw 1/4-20 x 3/4 hex head cap screw stainless steel |
Call for price
|
4 |
|
usually ships 1-5 days |
020 |
999-0209
|
Screw 3/8-16 x 1 1/2 carriage head grade 5 zinc |
$1.23
|
1 |
|
ships same day |
021 |
192-7806
|
Screw 1/4-20 x 1-1/4 carriage |
Call for price
|
5 |
|
usually ships 1-5 days |
022 |
999-0605
|
Screw 1/4-20 x 2 carriage head stainless steel |
$5.50
|
2 |
|
ships same day |
023 |
999-0606
|
Screw 1/4-20 x 2 1/2 carriage head stainless steel |
$1.65
|
2 |
|
ships same day |
024 |
999-0604
|
Screw 1/4-20 x 1 1/2 carriage head stainless steel |
$0.99
|
2 |
|
ships same day |
025 |
173-2344
|
Compression spring (OBSOLETE) |
$14.74
|
1 |
|
usually ships 11-15 days |
026 |
192-7808
|
Insert vacuum shoe |
Call for price
|
1 |
|
usually ships 1-5 days |
027 |
192-0216
|
Washer |
$1.22
|
15 |
|
ships same day |
028 |
192-7809
|
Washer 33/64 x 7/8 flat |
Call for price
|
4 |
|
usually ships 1-5 days |
029 |
192-0112
|
Washer |
$2.56
|
1 |
|
ships same day |
030 |
192-7730
|
Wheel (OBSOLETE) |
Call for price
|
2 |
|
usually ships 1-5 days |
031 |
192-7810
|
Vacuum shoe adjustment weldment bracket |
Call for price
|
1 |
|
usually ships 1-5 days |
032 |
192-2430
|
Bushing |
$24.62
|
|
|
usually ships 1-5 days |
033 |
192-7811
|
Bushing (OBSOLETE) |
Call for price
|
|
|
usually ships 1-5 days |