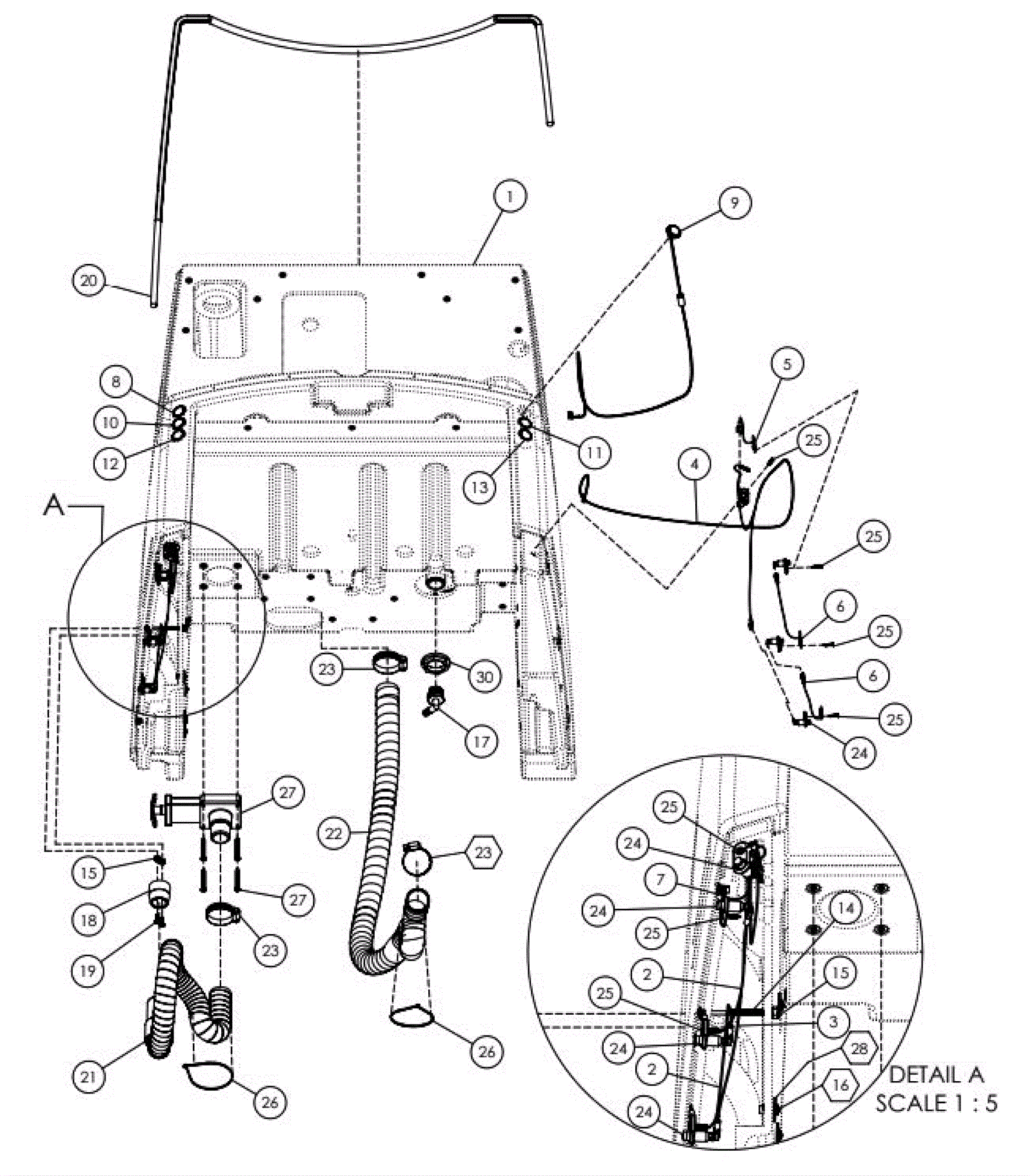
Tank Assembly Part 2
Click to enlarge