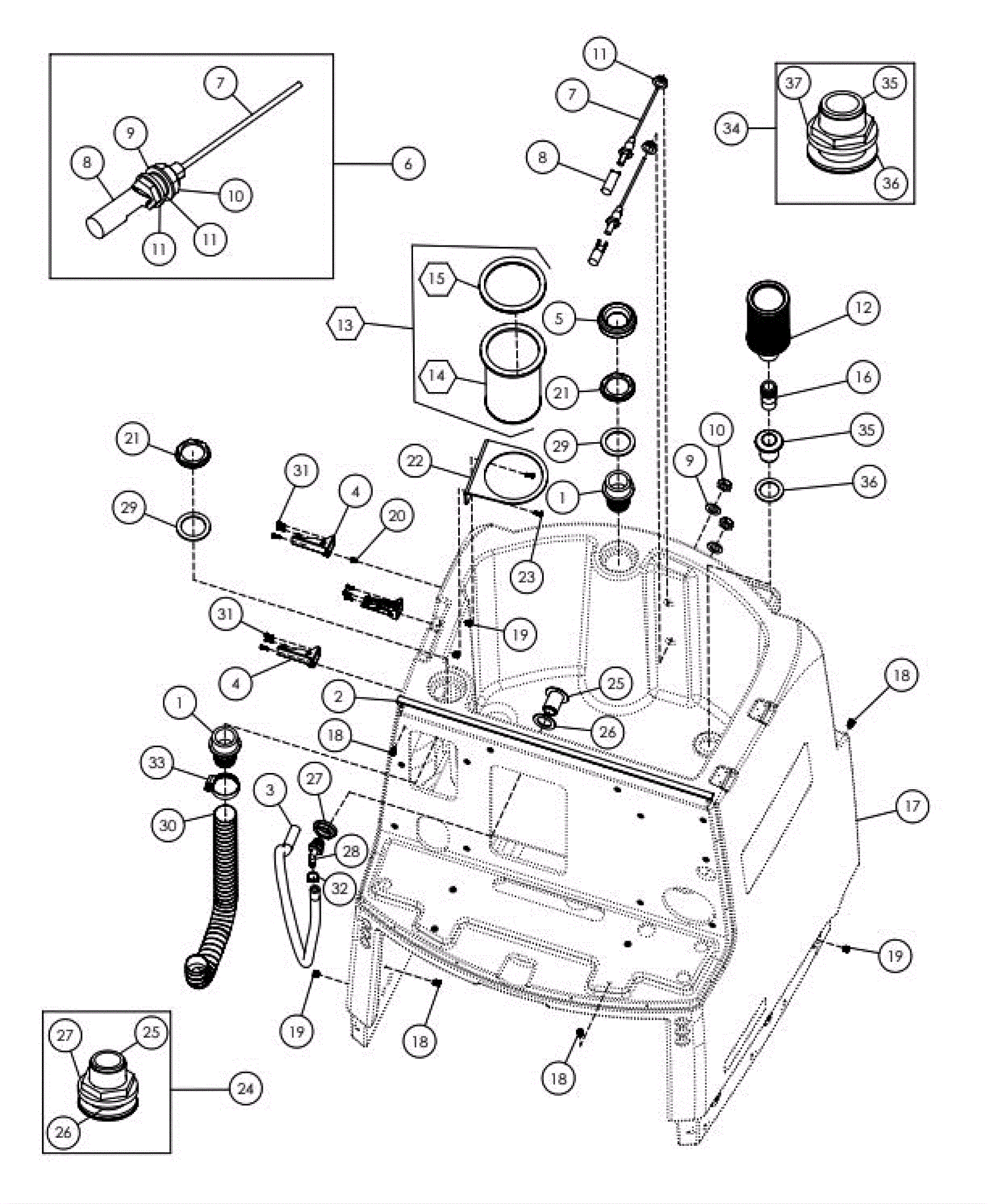
Tank Assembly Part 1
Click to enlarge