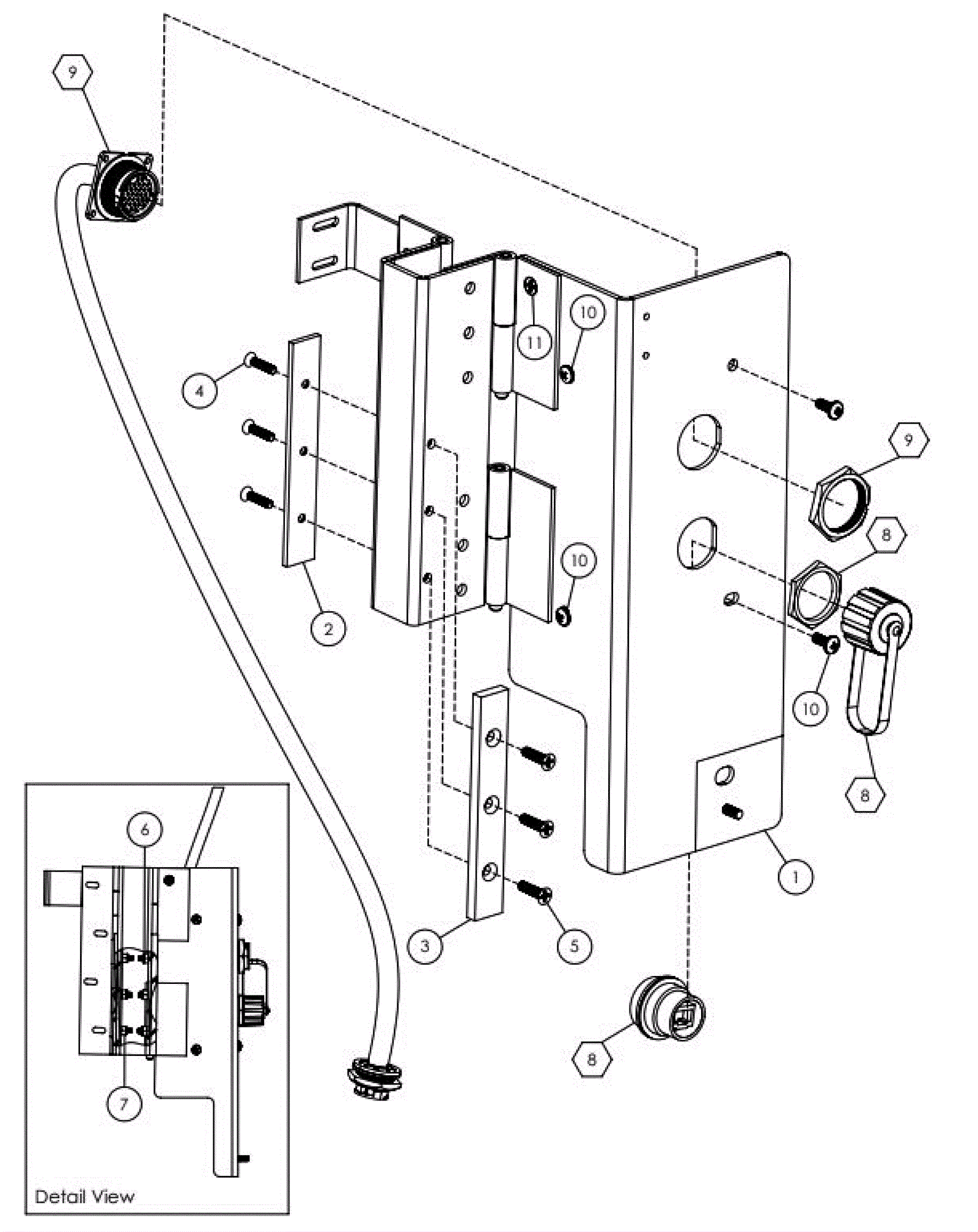
Hinge Assembly
Click to enlarge