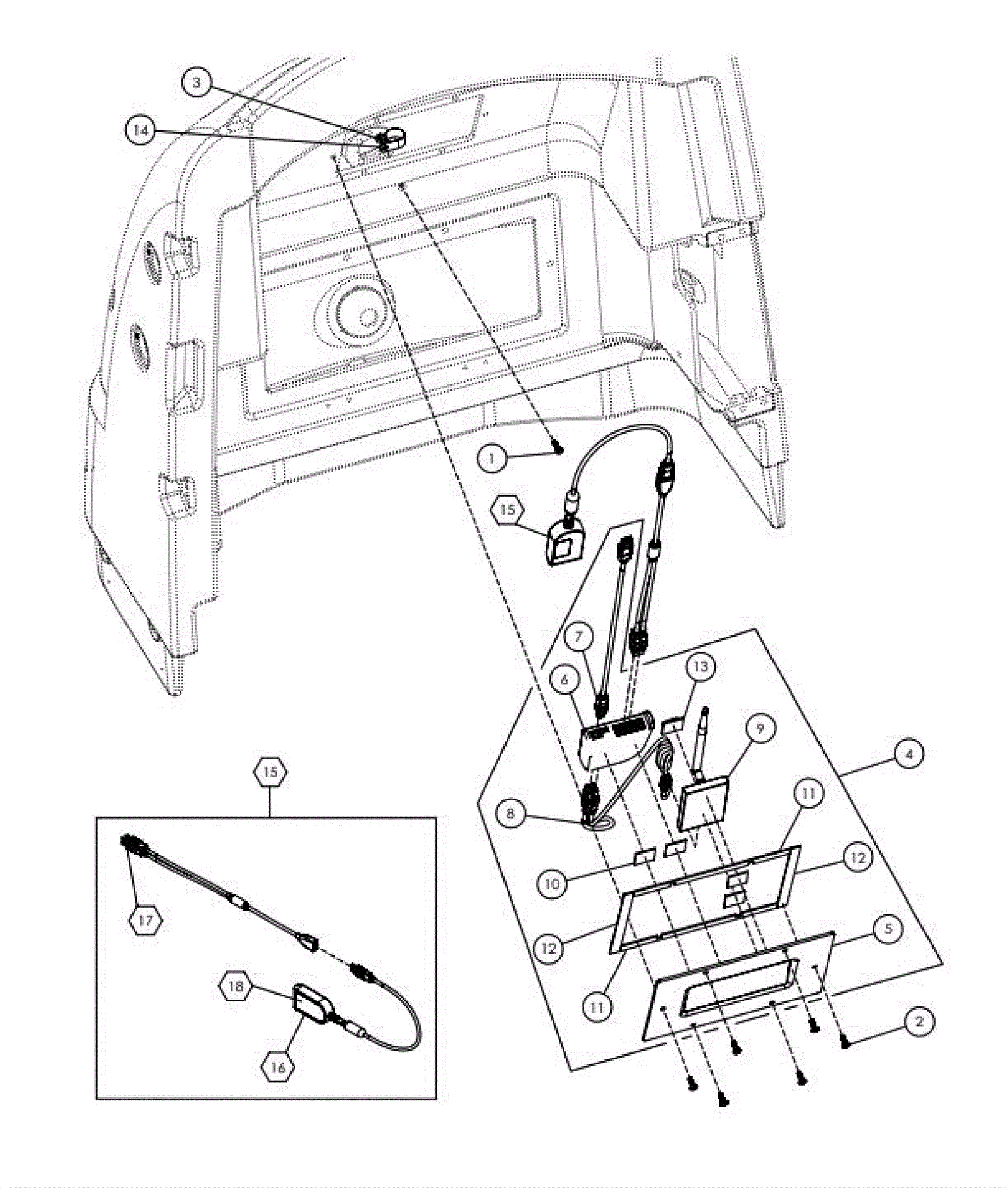
USB Hub Panel Assembly
Click to enlarge