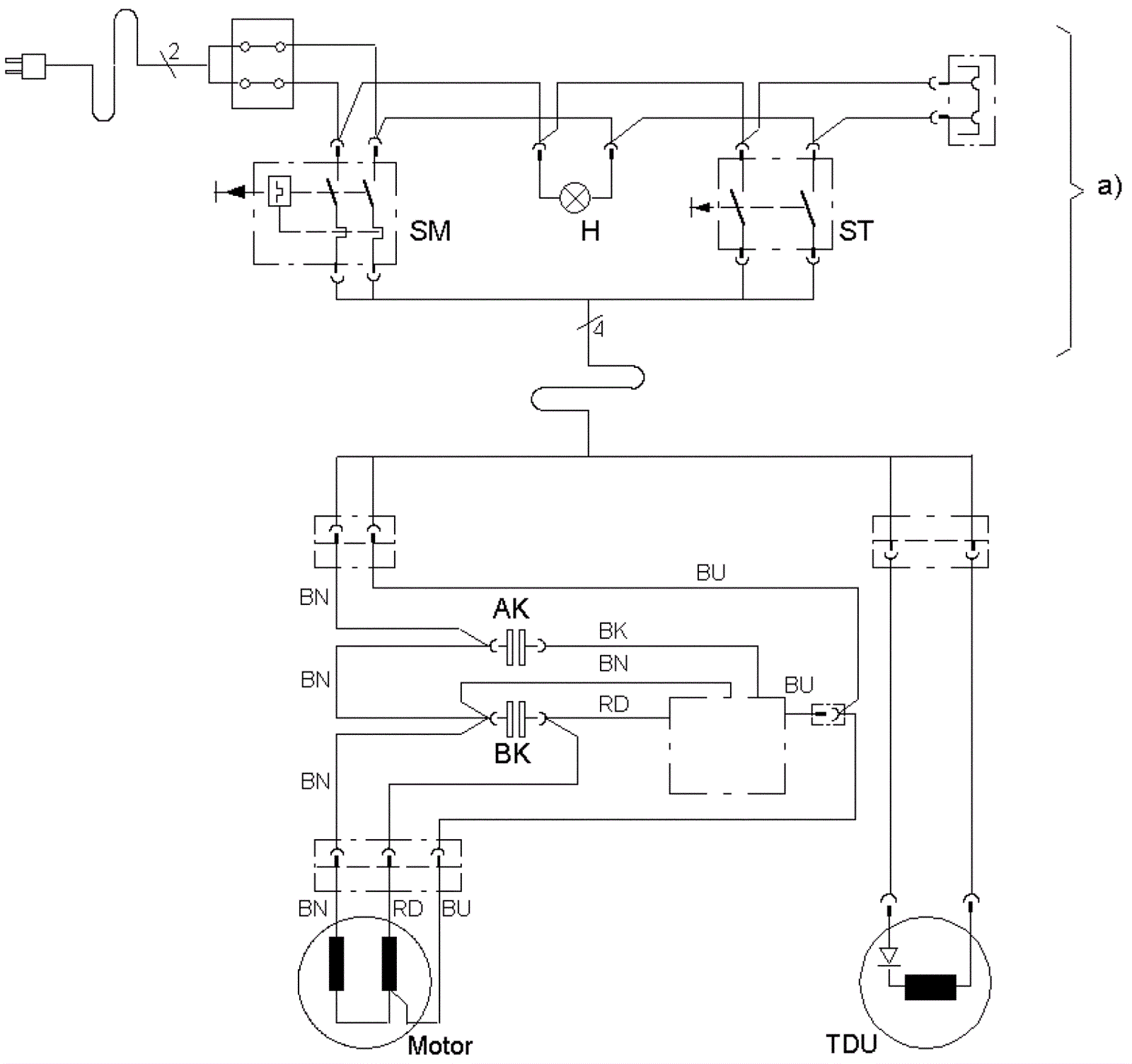
Wiring Diagram - 230V
Click to enlarge