# | Part | Description | Price | Req | Notes | Availability |
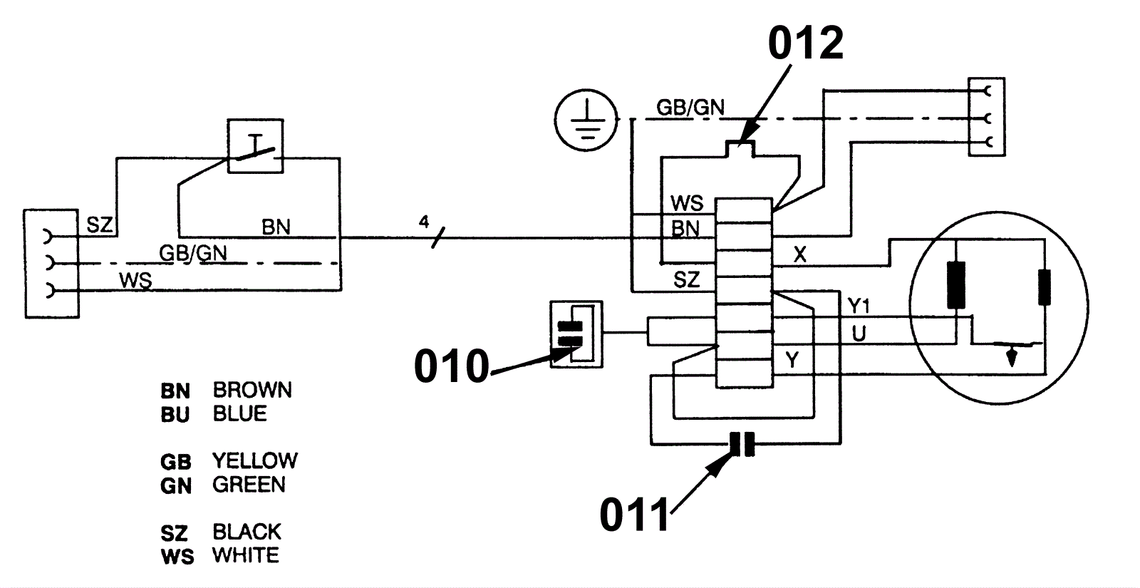
010 |
192-6714
|
Start capacitor 300 uF (black) (OBSOLETE) |
$115.29
|
1 |
|
usually ships 19-25 days |
011 |
192-6227
|
Run capacitor 40 uF (white) |
$107.15
|
1 |
|
usually ships 1-5 days |
012 |
192-5413
|
15 Amp overload switch (OBSOLETE) |
$104.31
|
1 |
(if old machine use this part and cover the hole where the old one went) |
usually ships 19-25 days |