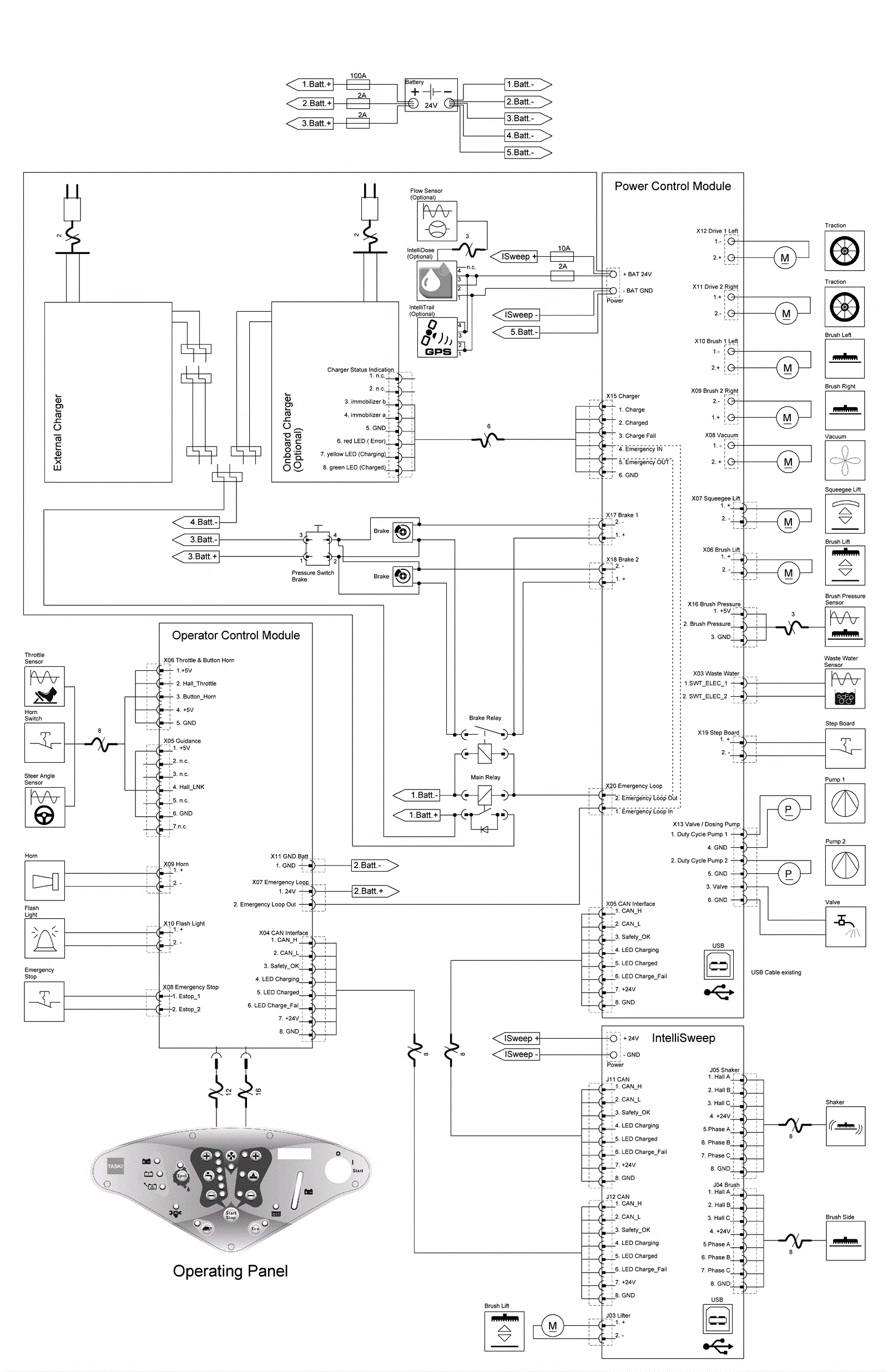
Wiring Diagram - Intellisweep
Click to enlarge