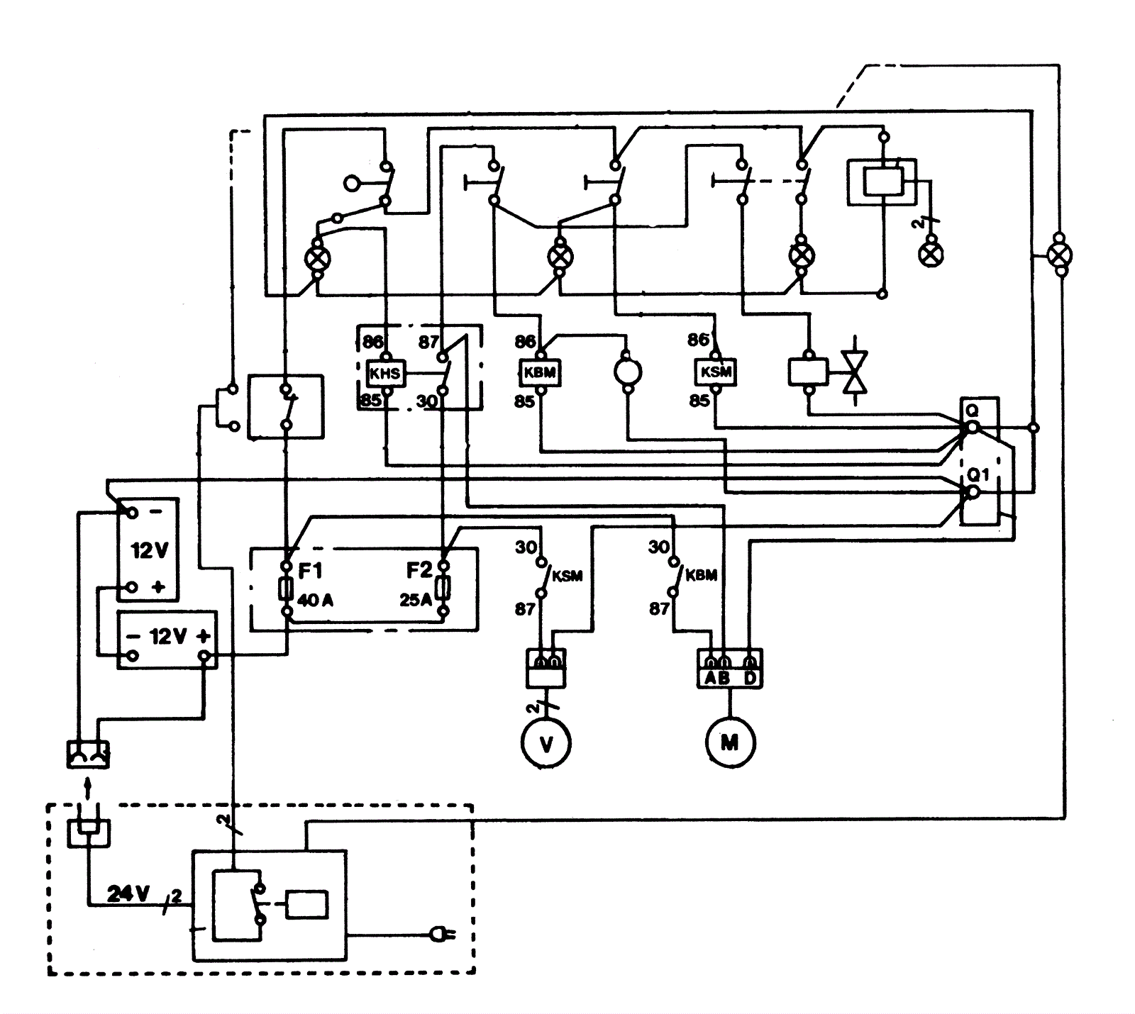
Electrical Diagram - Series 02
Click to enlarge