| # | Part | Description | Price | Req | Notes | Availability |
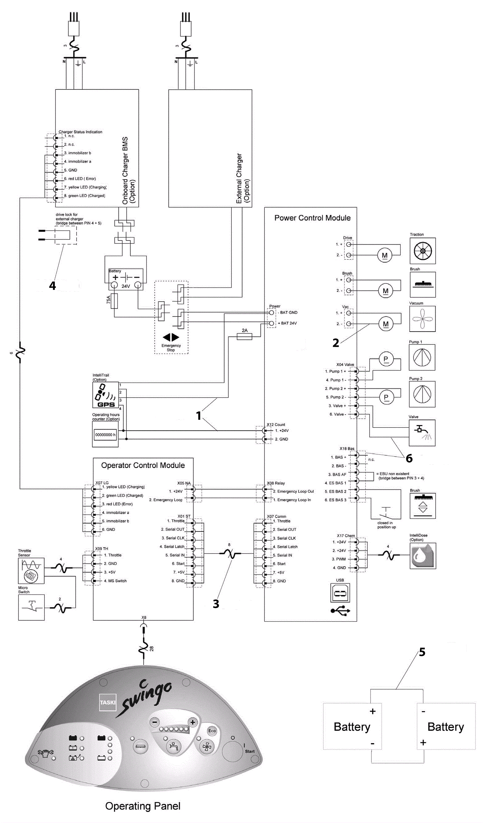
1 |
192-9553
|
Wiring harness (power board to J-fit option) |
Call for price
|
1 |
|
usually ships 18-25 days |
2 |
192-9545
|
Wiring harness (vac motor to control board) |
Call for price
|
1 |
|
usually ships 18-25 days |
3 |
192-9329
|
Communication cable (dashboard to power electronic) |
Call for price
|
1 |
|
usually ships 18-25 days |
4 |
292-5424
|
Jumper (8 pins) |
Call for price
|
1 |
|
usually ships 18-25 days |
5 |
192-1406
|
Battery cable |
Call for price
|
1 |
|
usually ships 18-25 days |
6 |
292-8043
|
Wire harness |
Call for price
|
1 |
|
usually ships 18-25 days |