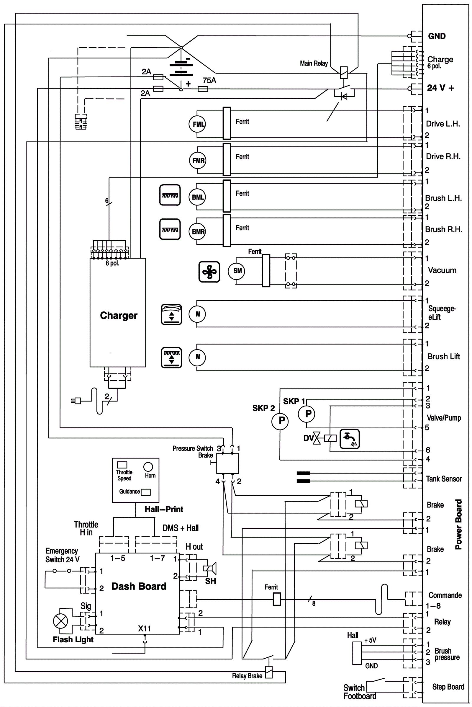
Wiring Diagram - Main
Click to enlarge