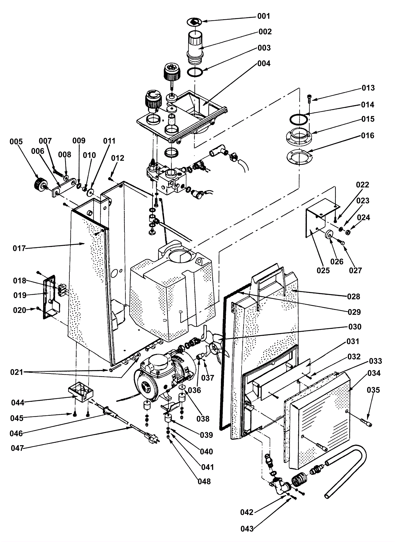
| # | Part | Description | Price | Req | Notes | Availability |
001 |
192-4713
|
Label with symbol (OBSOLETE) |
$7.63
|
1 |
|
usually ships 1-5 days |
002 |
N/A
|
Not available |
Call for price
|
1 |
Locking cap |
usually ships 3-26 days |
003 |
192-0220
|
O-ring |
$1.22
|
1 |
|
ships same day |
004 |
192-3881
|
Funnel plate (OBSOLETE) |
$62.38
|
1 |
|
usually ships 1-5 days |
005 |
192-0895
|
Screw knurled (OBSOLETE) |
$13.86
|
1 |
|
usually ships 1-5 days |
006 |
192-4818
|
Locking bolt (OBSOLETE) |
$11.29
|
1 |
|
usually ships 1-5 days |
007 |
192-7916
|
Screw M6 x 20 counter head |
$0.92
|
1 |
|
usually ships 1-5 days |
008 |
192-3006
|
Washer countersunk 6,4 (OBSOLETE) |
$2.20
|
1 |
|
usually ships 1-5 days |
009 |
192-0896
|
Washer 18/11 waved (OBSOLETE) |
$2.20
|
1 |
|
usually ships 1-5 days |
010 |
192-3323
|
Spacer bushing (OBSOLETE) |
$2.20
|
1 |
|
usually ships 1-5 days |
011 |
192-0965
|
Washer |
$2.56
|
1 |
|
ships same day |
012 |
192-0148
|
Screw M4 x 10mm raised cheese head |
$2.56
|
4 |
|
ships same day |
013 |
192-0706
|
Screw M50 x 16mm for plastic |
$2.77
|
6 |
|
ships same day |
014 |
192-5391
|
O-ring |
$2.56
|
1 |
|
usually ships 19-25 days |
015 |
192-3727
|
Flange |
$21.87
|
1 |
|
usually ships 19-25 days |
016 |
192-3975
|
Gasket |
$9.56
|
1 |
|
ships same day |
017 |
192-4517
|
Housing FG1 (OBSOLETE) |
$624.21
|
1 |
|
usually ships 1-5 days |
018 |
192-0954
|
3 way connection block |
$3.97
|
1 |
|
usually ships 19-25 days |
019 |
192-3062
|
Cover (OBSOLETE) |
$11.51
|
1 |
|
usually ships 1-5 days |
020 |
192-3232
|
Cylindrical screw M4 x 10 (OBSOLETE) |
$2.20
|
2 |
|
usually ships 1-5 days |
021 |
192-6295
|
Screw 5 x 40 with inner tap (OBSOLETE) |
$6.67
|
2 |
|
usually ships 1-5 days |
022 |
192-0320
|
Screw 50 x 12 for plastic |
$2.56
|
2 |
|
ships same day |
023 |
192-0880
|
Washer M5 |
$0.89
|
1 |
|
ships same day |
024 |
192-8420
|
Nut M5 self locking |
Call for price
|
1 |
|
usually ships 1-5 days |
025 |
N/A
|
Not available |
Call for price
|
1 |
|
usually ships 3-26 days |
026 |
N/A
|
Not available |
Call for price
|
1 |
|
usually ships 3-26 days |
027 |
192-0407
|
Screw M5 x 10mm socket head cap |
$0.89
|
1 |
|
ships same day |
028 |
192-3853
|
Front cover (OBSOLETE) |
$182.28
|
1 |
|
usually ships 1-5 days |
029 |
192-3853
|
Front cover (OBSOLETE) |
$182.28
|
1 |
|
usually ships 1-5 days |
030 |
192-1426
|
Fan (black) |
$38.80
|
1 |
|
ships same day |
031 |
192-5740
|
Protecting plate (OBSOLETE) |
$10.37
|
1 |
|
usually ships 1-5 days |
032 |
192-5292
|
Screw 9 x 16 notched self tapping |
$2.56
|
2 |
|
usually ships 1-5 days |
033 |
192-3869
|
Front noise absorbing sheet (OBSOLETE) |
$4.62
|
1 |
|
usually ships 1-5 days |
034 |
192-3529
|
Exhaust cover (OBSOLETE) |
$43.53
|
1 |
|
usually ships 1-5 days |
035 |
192-6258
|
Screw (OBSOLETE) |
$5.06
|
2 |
|
usually ships 1-5 days |
036 |
192-3324
|
Spacer |
$13.20
|
1 |
|
usually ships 19-25 days |
037 |
192-4194
|
Screw M4 x 4mm hex grub |
$2.56
|
1 |
|
usually ships 19-25 days |
038 |
192-7421
|
Washer |
$2.56
|
1 |
|
usually ships 19-25 days |
039 |
192-7376
|
Vibrations absorber |
$4.10
|
3 |
|
usually ships 19-25 days |
040 |
192-1195
|
Washer M4 |
$2.56
|
3 |
|
ships same day |
041 |
192-6342
|
Nut M4 self locking |
$0.94
|
3 |
|
usually ships 19-25 days |
042 |
192-0281
|
Spring washer |
$2.56
|
2 |
|
usually ships 1-5 days |
043 |
192-0912
|
Screw M4 x 16mm raised head |
$2.56
|
2 |
|
ships same day |
044 |
192-2815
|
Clamp cover (OBSOLETE) |
$8.26
|
1 |
|
usually ships 1-5 days |
045 |
192-0160
|
Screw M5 x 10mm raised head |
$3.66
|
2 |
|
usually ships 19-25 days |
046 |
192-2539
|
Cable grommet (OBSOLETE) |
$5.97
|
1 |
|
usually ships 19-25 days |
047 |
192-2883
|
Connecting cable (OBSOLETE) |
$38.69
|
1 |
|
usually ships 19-25 days |
048 |
192-5733
|
Cap |
$2.56
|
3 |
|
usually ships 19-25 days |
N/S |
192-0102
|
7 3/4 inch cable tie |
$2.56
|
|
|
usually ships 19-25 days |
N/S |
192-0467
|
Lite thread lock compound |
$249.05
|
|
|
usually ships 1-5 days |
N/S |
192-0973
|
3 1/4 inch cable tie |
$2.56
|
|
|
usually ships 19-25 days |