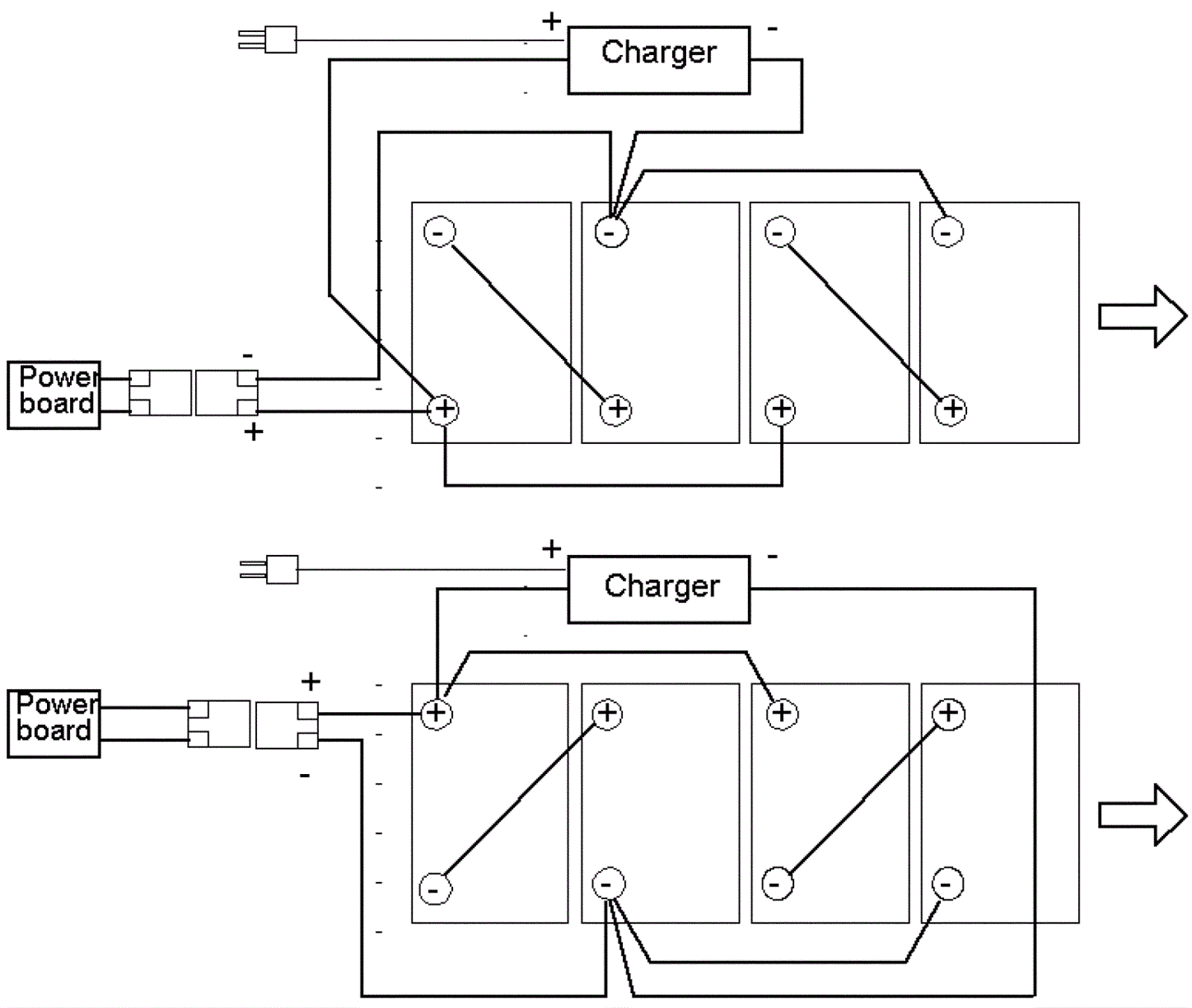
Battery Connections Diagram
Click to enlarge