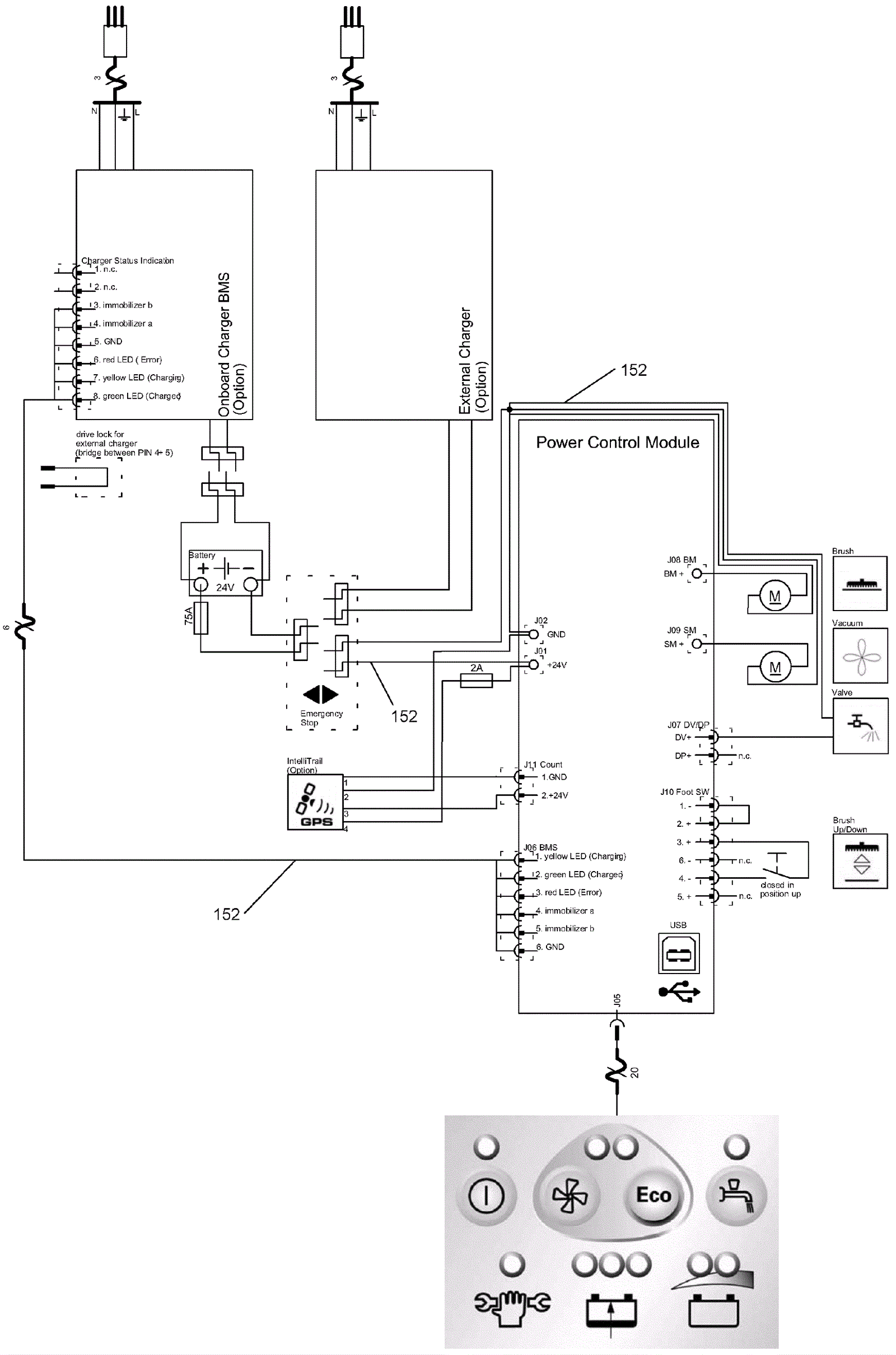
SWINGO 455B
Wiring Diagram
Click to enlarge
#
Part
Description
Price
Req
Notes
Availability
152
192-9977
Cable strand
$163.67
1
usually ships 19-25 days