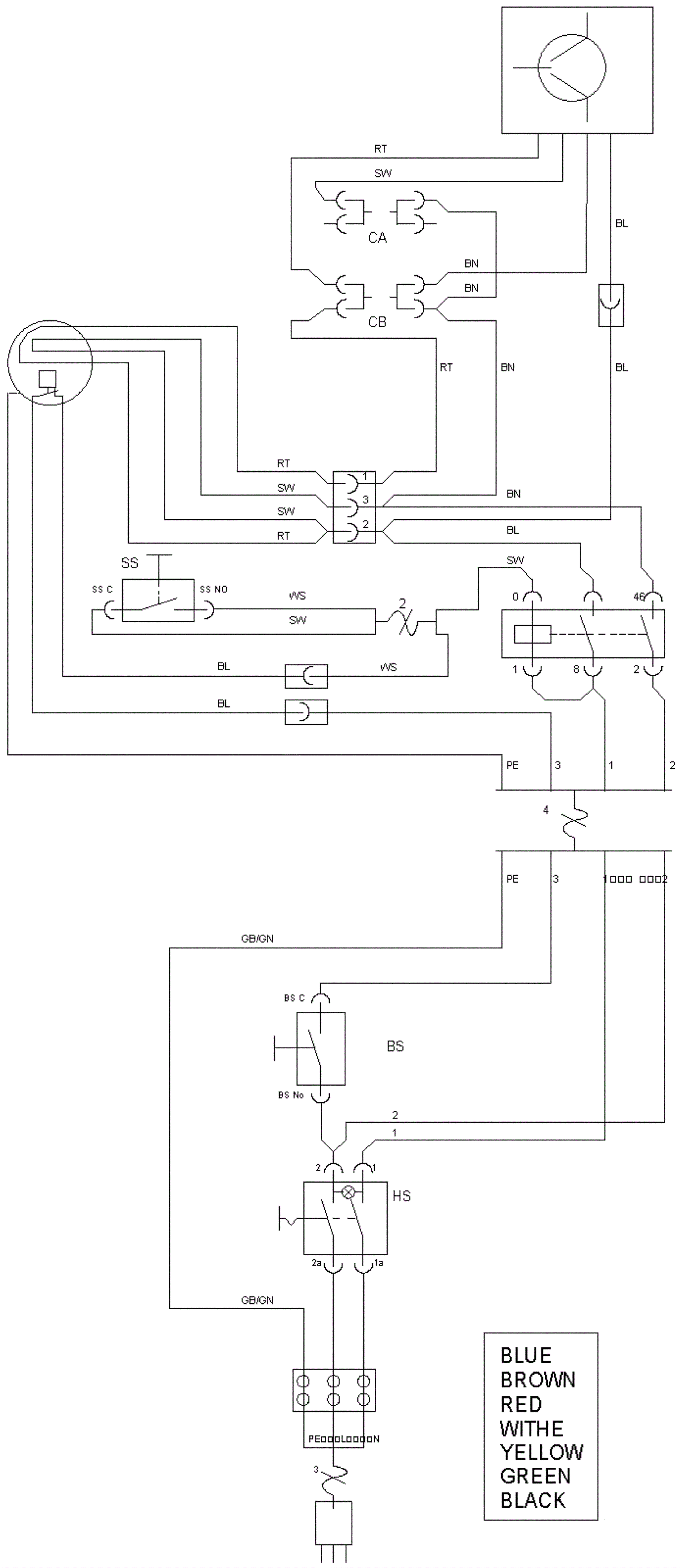
240V Wiring Diagram
Click to enlarge