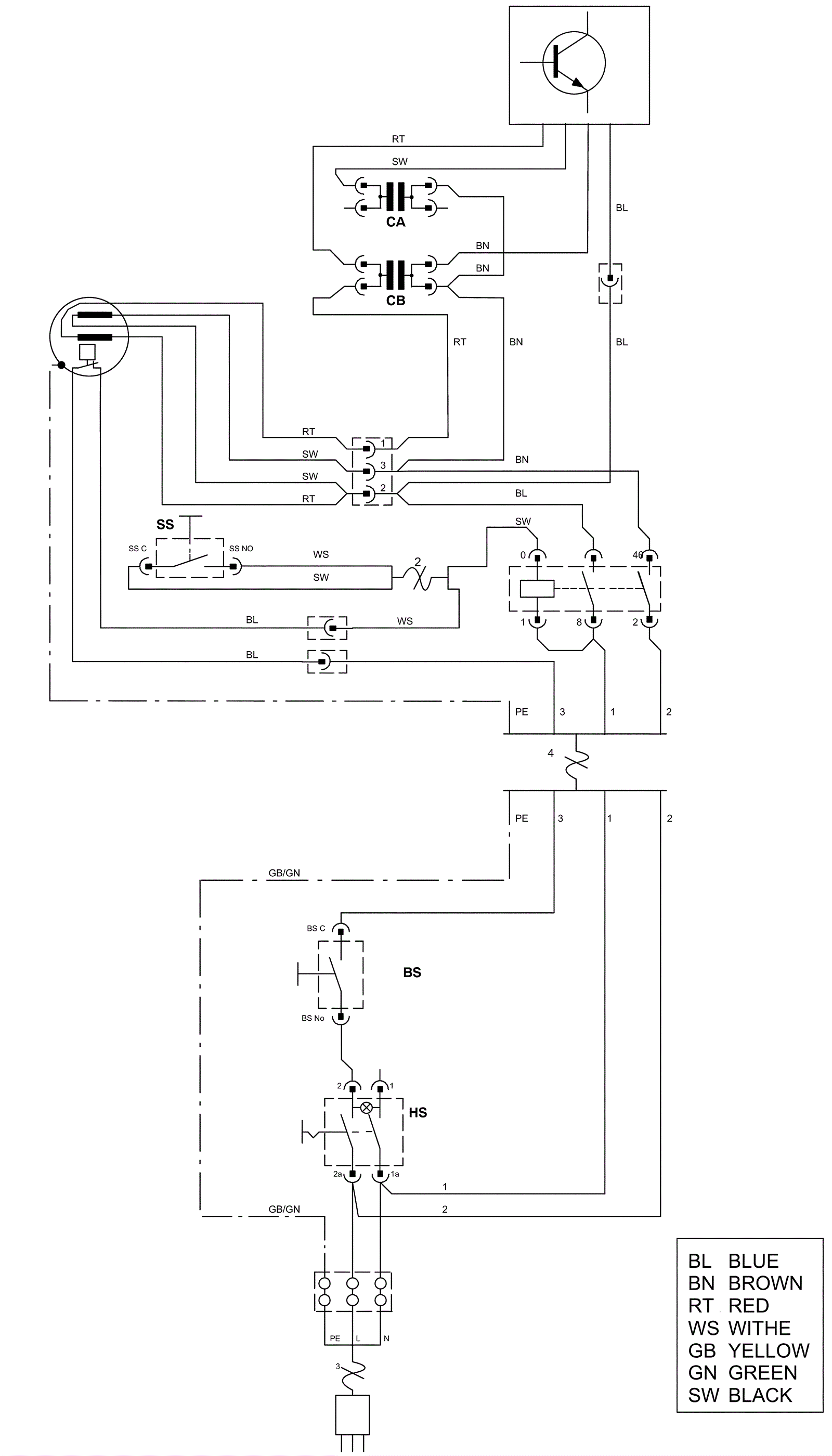
120V Wiring Diagram
Click to enlarge