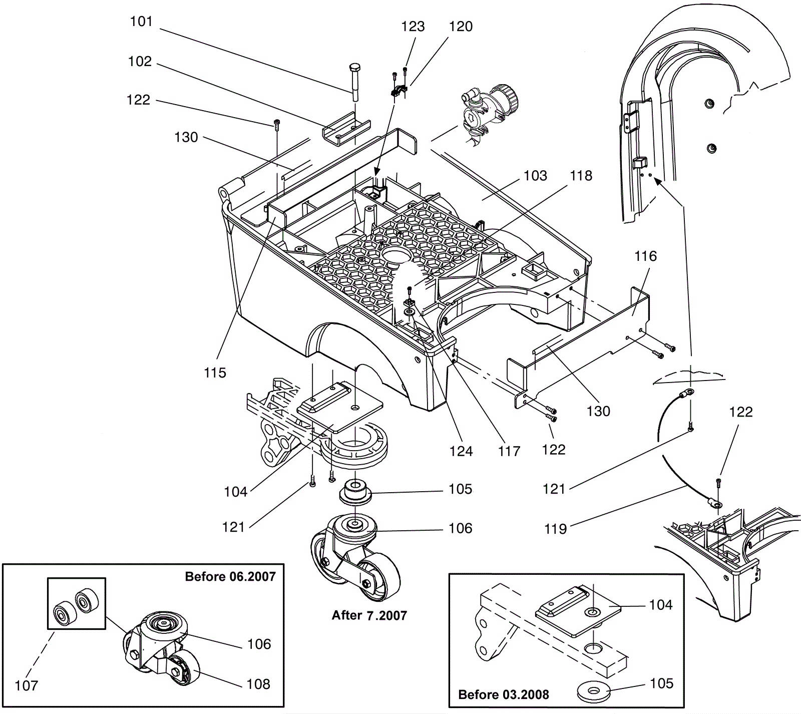
| # | Part | Description | Price | Req | Notes | Availability |
101 |
192-4218
|
Screw M12 x 30mm hex head |
$2.56
|
1 |
|
ships same day |
102 |
192-1517
|
Reinforcement plate |
$3.66
|
1 |
|
usually ships 19-25 days |
103 |
192-2753
|
Chassis |
$348.61
|
1 |
|
usually ships 19-25 days |
104a |
192-1958
|
Bearing plate |
$46.79
|
1 |
(before 06.2007) |
usually ships 19-25 days |
104b |
192-9529
|
Bracket |
$10.08
|
1 |
(after 07.2007) |
usually ships 19-25 days |
105a |
192-7394
|
Washer M13 |
$19.49
|
1 |
(before 06.2007) |
ships same day |
105b |
192-9247
|
Bushing |
$2.56
|
1 |
(after 07.2007) |
usually ships 1-5 days |
106a |
192-9000
|
Caster wheel assembly (rust) |
$122.69
|
1 |
(before 06.2007) |
ships same day |
106b |
292-1034
|
Complete castor |
$423.01
|
1 |
(after 07.2007) |
ships same day |
107 |
192-6380
|
Caster replacement wheel (brown) (pkg of 2) |
$140.51
|
1 |
(before 06.2007) (Not a direct replacement for 192-1521. This is a softer wheel for structured floor.) |
ships same day |
108 |
N/A
|
Not available |
Call for price
|
1 |
(Caster wheel) (before 06.2007) |
usually ships 3-26 days |
115 |
192-1929
|
Battery fixation |
$14.70
|
1 |
|
usually ships 1-5 days |
116 |
192-8631
|
Battery bracket |
$13.43
|
1 |
|
usually ships 1-5 days |
117a |
192-0260
|
2-way connection block |
$2.95
|
1 |
|
ships same day |
117b |
192-0705
|
Washer |
$2.56
|
1 |
|
ships same day |
118a |
192-5462
|
Screw M3.5 x 20mm pan head tap |
$2.56
|
1 |
(before 10.2006) |
usually ships 19-25 days |
118b |
192-0549
|
Screw KA 35 x 20 |
$2.56
|
1 |
(after 11.2006) |
ships same day |
119 |
192-2742
|
Metal rope |
$3.16
|
1 |
|
usually ships 1-5 days |
120 |
192-2496
|
Cable clamp |
$2.56
|
1 |
|
usually ships 19-25 days |
121 |
192-1561
|
Screw 60 x 20 torx head |
$2.56
|
3 |
|
ships same day |
122 |
192-1571
|
Screw M50 x 16mm |
$2.56
|
7 |
|
ships same day |
123 |
192-1595
|
Screw M40 x 16mm torx head |
$2.56
|
2 |
|
ships same day |
130 |
192-2351
|
Bumper (sold by the inch) |
$7.51
|
16 in |
|
usually ships 19-25 days |