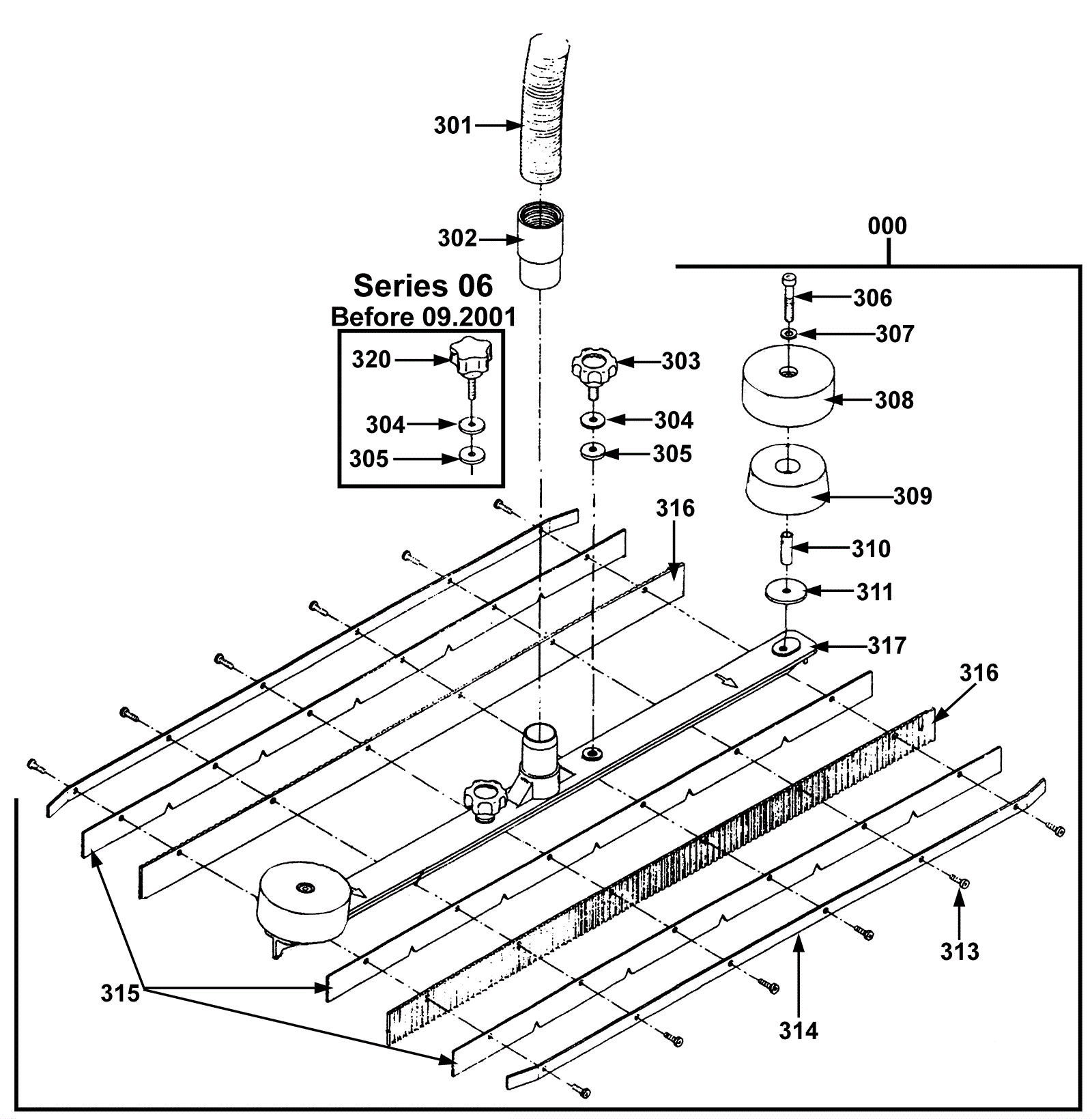
| # | Part | Description | Price | Req | Notes | Availability |
000 |
192-1358
|
Squeegee assembly (OBSOLETE) |
$365.96
|
1 |
|
usually ships 19-25 days |
301 |
192-0420
|
Hose (sold by the inch) |
$0.99
|
24 in |
|
ships same day |
302 |
192-0113
|
Hose cuff |
$3.03
|
1 |
|
ships same day |
303 |
N/A
|
Not available |
Call for price
|
2 |
Star knob |
usually ships 3-26 days |
304 |
192-0965
|
Washer |
$2.56
|
2 |
|
ships same day |
305 |
192-3980
|
Gasket |
$2.44
|
2 |
|
usually ships 19-25 days |
306 |
192-0104
|
Screw M8 x 45mm socket head cap |
$2.56
|
2 |
|
ships same day |
307 |
192-0105
|
Washer M8 |
$2.56
|
2 |
|
ships same day |
308 |
192-1397
|
Guide wheel |
$5.51
|
2 |
|
ships same day |
309 |
192-1404
|
Weight (OBSOLETE) |
$23.54
|
2 |
|
usually ships 19-25 days |
310 |
192-2377
|
Bushing (OBSOLETE) |
$2.49
|
2 |
|
usually ships 1-5 days |
311 |
192-1078
|
Washer |
$0.89
|
2 |
|
ships same day |
313 |
192-0723
|
Screw M5 x 6mm |
$2.56
|
12 |
|
usually ships 19-25 days |
314 |
192-3191
|
Covering rail (OBSOLETE) |
$19.46
|
2 |
|
usually ships 1-5 days |
315 |
192-6892
|
Squeegee blade supporting |
$22.50
|
3 |
|
usually ships 19-25 days |
316 |
N/A
|
Not available |
Call for price
|
2 |
(Squeegee blade) |
usually ships 3-26 days |
317 |
192-6630
|
Squeegee weldment (OBSOLETE) |
$147.55
|
1 |
|
usually ships 1-5 days |
320 |
192-6680
|
Star knob |
$3.41
|
2 |
Series 06 Before 09.2001 |
usually ships 19-25 days |
N/S |
192-6361
|
Sggy blades 25 9/10 in (2 red & 3 black) (OBSELETE) |
$149.45
|
1 |
|
usually ships 19-25 days |