| # | Part | Description | Price | Req | Notes | Availability | 
|---|
          
            
            
                
                  
                  
                  
				       
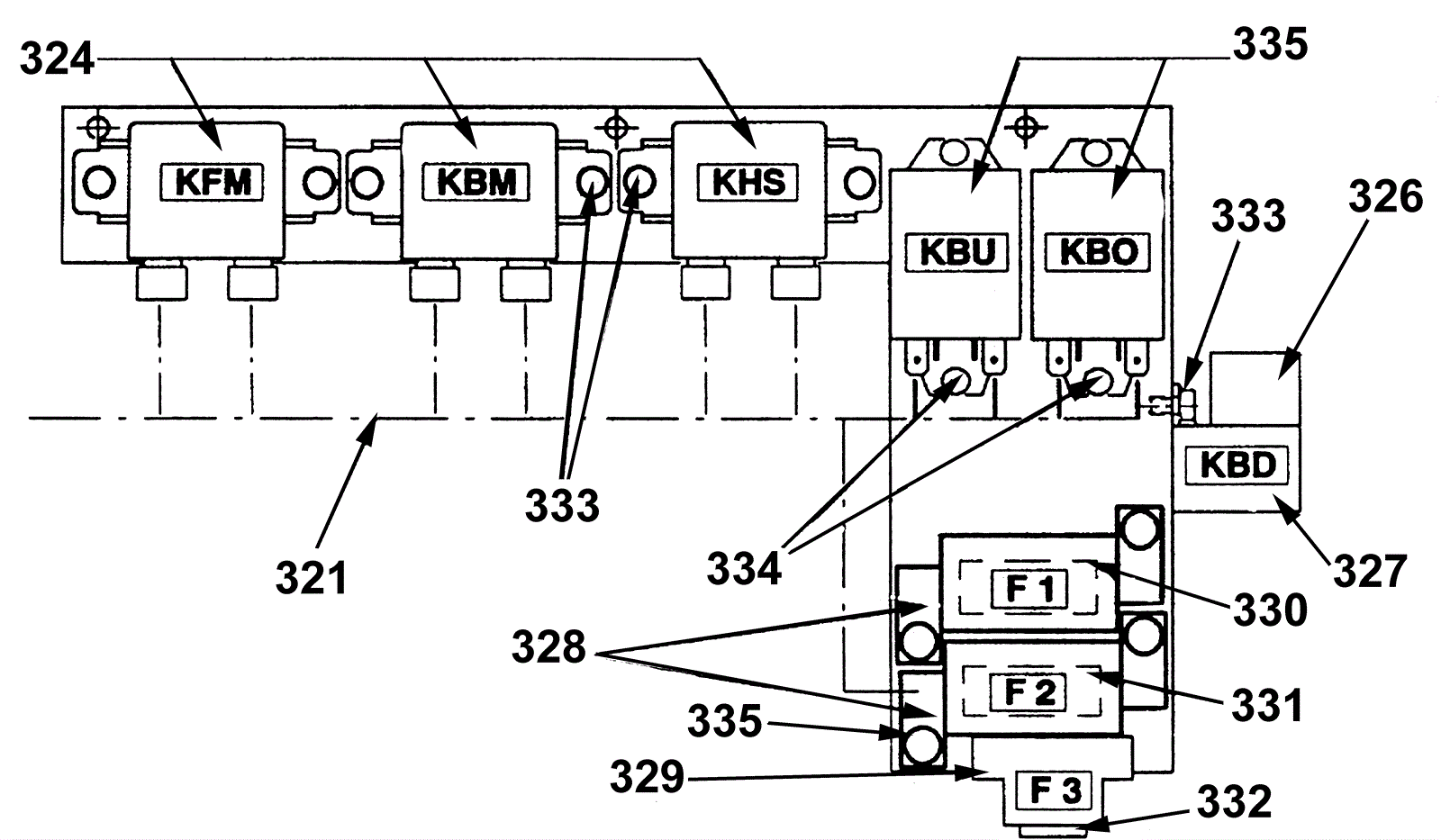
				      321 | 192-2576 | Cable strand co 800/1100 (OBSOLETE) | $421.62 | 1 |  | usually ships 1-5 days | 322 | 192-2569 | Cable strand 2 (OBSOLETE) | $60.03 | 1 |  | usually ships 1-5 days | 324 | 192-0374 | Relay 24V | $392.62 | 3 |  | usually ships 19-25 days | 325 | 192-0372 | 24V relay (OBSOLETE) | $76.92 | 2 |  | usually ships 19-25 days | 326 | 192-0870 | Relay 24V | $17.85 | 1 |  | usually ships 19-25 days | 327 | 192-0871 | Relay console (OBSOLETE) | $4.62 | 1 |  | usually ships 1-5 days | 328 | 192-1251 | Fuse holder (OBSOLETE) | $17.85 | 2 |  | usually ships 19-25 days | 329 | 192-3890 | Fuse holder | $16.67 | 1 |  | ships same day | 330 | 192-0872 | 50amp fuse strip | $1.24 | 1 |  | ships same day | 331 | 192-0873 | Fuse strip 25 amp (OBSOLETE) | $2.20 | 1 |  | usually ships 19-25 days | 332 | 192-3894 | Fuse clip 7,5 amp | $2.56 | 1 |  | usually ships 19-25 days | 333 | 192-0162 | Screw M5 x 8 self tapping forming | $3.03 | 7 |  | ships same day | 334 | 192-0060 | Screw M4 x 8 self tapping forming | $2.44 | 4 |  | usually ships 19-25 days | 335 | 192-0377 | Screw M5 x 10mm self-tapping | $2.56 | 4 |  | usually ships 19-25 days | 336 | 192-1261 | 2 - Pole plug (OBSOLETE) | $2.20 | 1 |  | usually ships 1-5 days | 337 | 192-1267 | 50amp charger plug pin | $6.61 | 4 |  | usually ships 19-25 days | 338 | 192-0686 | 2-Pole plug (OBSOLETE) | $2.20 | 1 |  | usually ships 1-5 days | 339 | 192-1926 | Negative battery clamp | $5.98 | 2 |  | ships same day | 340 | 192-1927 | Positive battery clamp | $7.49 | 2 |  | ships same day | 341 | 192-0886 | Battery post cover | $3.08 | 4 |  | ships same day | 342 | 192-2425 | Bushing 1 mm2 (OBSOLETE) | $2.20 |  |  | usually ships 1-5 days | 343 | 192-1260 | Diode 1 volt 3 amp (OBSOLETE) | $4.55 | 5 |  | usually ships 1-5 days | 344 | 192-1460 | Spring | $3.41 | 2 |  | ships same day | 345 | 192-2914 | Connector 10 w + 10 terminals (OBSOLETE) | $26.06 |  |  | usually ships 1-5 days | N/S | 192-1255 | Socket insert (OBSOLETE) | $2.20 | 2 |  | usually ships 1-5 days | N/S | 192-1262 | Socket insert (OBSOLETE) | $2.20 | 2 |  | usually ships 1-5 days |