| # | Part | Description | Price | Req | Notes | Availability |
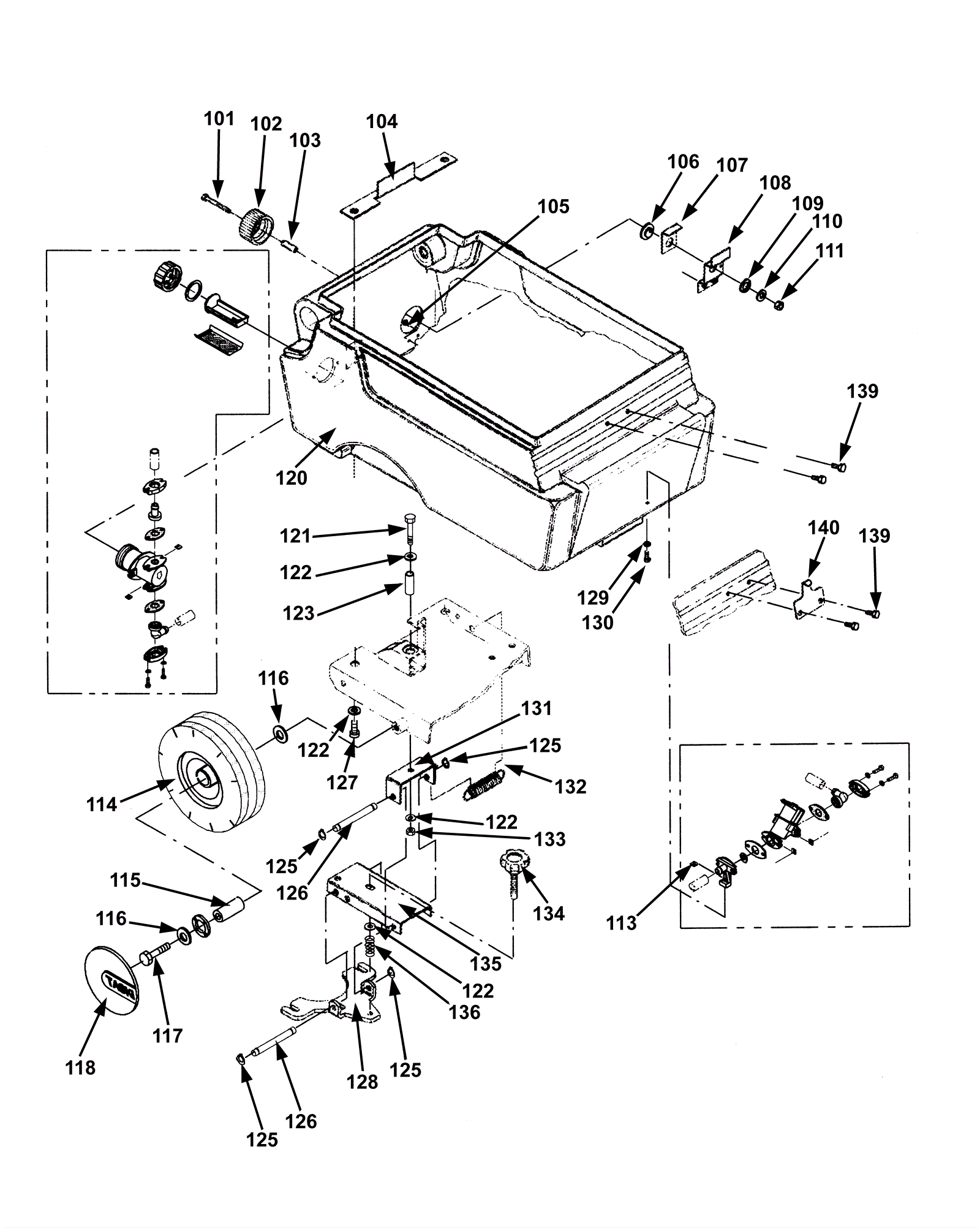
101 |
192-0495
|
Screw M6 x 50 socket head cap |
$2.56
|
1 |
|
usually ships 1-5 days |
102 |
192-1338
|
Knob |
$14.92
|
1 |
|
usually ships 19-25 days |
103 |
192-1339
|
Axle (OBSOLETE) |
$6.60
|
1 |
|
usually ships 1-5 days |
104 |
N/A
|
Not available |
Call for price
|
1 |
(Bracket) |
usually ships 3-26 days |
105a |
192-0912
|
Screw M4 x 16mm raised head |
$2.56
|
2 |
Series 06 |
ships same day |
105b |
192-5921
|
Screw M4 x 12 raised cheese head |
$6.53
|
2 |
Series 04 |
ships same day |
106 |
192-1341
|
Eccentric ring |
$5.60
|
1 |
|
usually ships 19-25 days |
107 |
192-1342
|
Bracket (OBSOLETE) |
$6.82
|
1 |
|
usually ships 1-5 days |
108 |
192-1343
|
Bracket (OBSOLETE) |
$57.39
|
1 |
|
usually ships 1-5 days |
109 |
192-1344
|
Wave washer |
$6.74
|
1 |
|
ships same day |
110 |
192-1345
|
Washer |
$5.64
|
1 |
|
usually ships 19-25 days |
111a |
192-0563
|
Nut M6 self-locking |
$2.56
|
1 |
Series 06 |
ships same day |
111b |
192-0151
|
Nut M6 hex |
$2.56
|
1 |
Series 04 |
ships same day |
113 |
192-0915
|
Nut M4 square |
$3.47
|
1 |
|
ships same day |
114 |
192-0722
|
Wheel |
$33.57
|
2 |
|
usually ships 19-25 days |
115 |
192-0720
|
Bushing (OBSOLETE) |
$5.43
|
2 |
|
usually ships 1-5 days |
116 |
192-0112
|
Washer |
$2.56
|
4 |
|
ships same day |
117 |
192-0719
|
Screw M10-50 hex head |
$2.56
|
2 |
|
usually ships 1-5 days |
118a |
192-0279
|
Wheel cover w/springs (OBSOLETE) |
$12.09
|
2 |
|
usually ships 19-25 days |
118b |
192-0280
|
Spring (OBSOLETE) |
$2.20
|
6 |
|
usually ships 1-5 days |
120 |
192-1346
|
Housing (OBSOLETE) |
$298.83
|
1 |
|
usually ships 1-5 days |
121 |
999-0178
|
Bolt 5/16-18 x 2 hex head grade 5 zinc plated |
$0.54
|
1 |
|
ships same day |
122 |
192-0079
|
Washer |
$0.89
|
5 |
|
ships same day |
123 |
192-1347
|
Bushing (OBSOLETE) |
$15.74
|
1 |
|
usually ships 1-5 days |
125 |
192-1348
|
Retaining ring |
$6.49
|
4 |
|
usually ships 19-25 days |
126 |
192-1349
|
Axle (OBSOLETE) |
$4.69
|
2 |
|
usually ships 1-5 days |
127a |
999-0517
|
Bolt M8-1.25 x 16mm hex head full thread zinc |
$0.99
|
2 |
Series 06 |
ships same day |
127b |
192-0509
|
Screw M8 x 12mm hex head |
$2.64
|
2 |
Series 04 |
ships same day |
128 |
192-0927
|
Squeegee mount bracket |
$255.37
|
1 |
|
usually ships 19-25 days |
129 |
192-1195
|
Washer M4 |
$2.56
|
1 |
|
ships same day |
130 |
192-0920
|
Screw M4 x 16 hex |
$2.56
|
1 |
|
usually ships 19-25 days |
131 |
192-1350
|
Bracket (OBSOLETE) |
$25.30
|
1 |
|
usually ships 1-5 days |
132 |
192-1092
|
Tension spring |
$5.01
|
1 |
|
usually ships 19-25 days |
133 |
192-0347
|
Nut M8 hex |
$0.89
|
1 |
|
ships same day |
134 |
192-0929
|
Star screw (OBSOLETE) |
$5.75
|
1 |
|
usually ships 19-25 days |
135 |
192-1351
|
Bracket (OBSOLETE) |
$32.24
|
1 |
|
usually ships 1-5 days |
136 |
192-0928
|
Spring (OBSOLETE) |
$2.20
|
1 |
|
usually ships 1-5 days |
139 |
192-1109
|
Screw M6 x 10mm hex head |
$0.89
|
1 |
|
ships same day |
140 |
192-1353
|
Hook (OBSOLETE) |
$27.62
|
2 |
|
usually ships 1-5 days |
N/S |
192-6991
|
Battery symbol (OBSOLETE) |
$2.20
|
1 |
|
usually ships 1-5 days |
N/S |
192-6992
|
Filter label |
$2.56
|
1 |
|
usually ships 19-25 days |
N/S |
192-6993
|
Water symbol |
$2.20
|
1 |
|
usually ships 19-25 days |