| # | Part | Description | Price | Req | Notes | Availability |
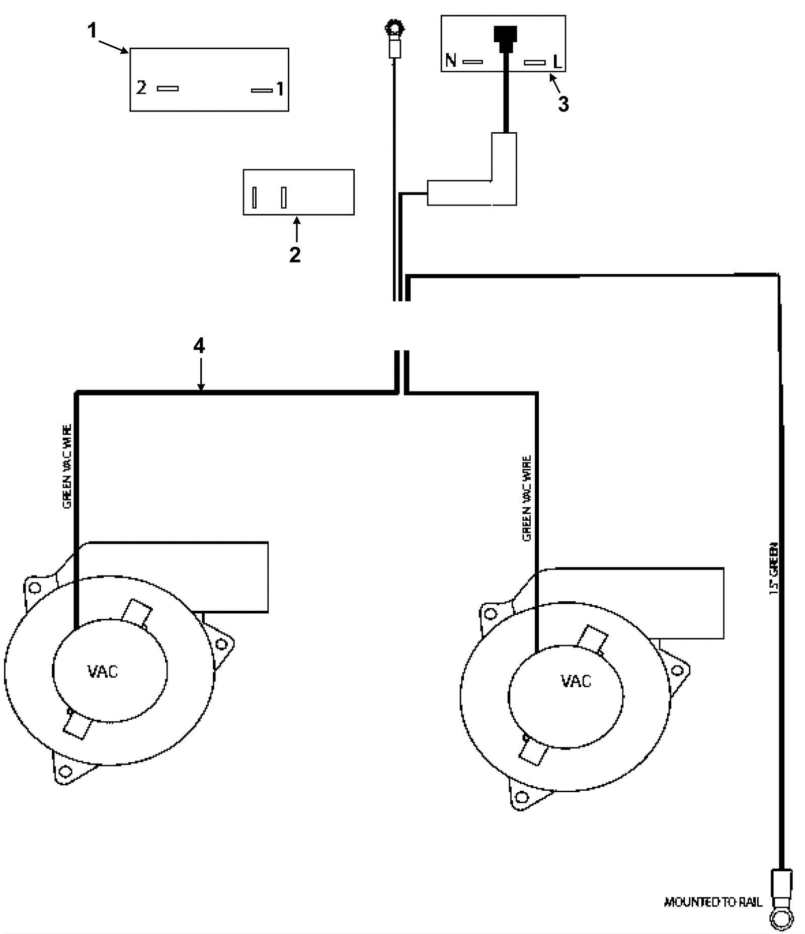
1 |
191-0049
|
15amp circuit breaker (obsolete) |
$12.73
|
1 |
|
usually ships 12-14 days |
2 |
191-0047
|
16amp mini rocker switch (obsolete) |
$9.90
|
1 |
|
usually ships 12-14 days |
3 |
191-0046
|
Male plug |
$11.13
|
1 |
|
ships same day |
4 |
191-0247
|
Wire (yellow/green) (OBSOLETE) |
Call for price
|
13 in |
|
usually ships 1-5 days |
N/S |
191-0245
|
Wire (brown) (OBSOLETE) |
Call for price
|
13 in |
|
usually ships 1-5 days |
N/S |
191-0242
|
16 gauge terminal with female quick connect |
Call for price
|
7 |
|
usually ships 1-5 days |
N/S |
191-0243
|
#10 ring terminal (red) |
Call for price
|
2 |
|
usually ships 1-5 days |
N/S |
191-0244
|
Medium closed end connector |
Call for price
|
3 |
|
usually ships 1-5 days |
N/S |
191-0246
|
Wire (blue) (OBSOLETE) |
Call for price
|
13 in |
|
usually ships 1-5 days |